GM Service Manual Online
For 1990-2009 cars only
Makes
🢒
Chevrolet
🢒
2007
🢒
Caprice WM
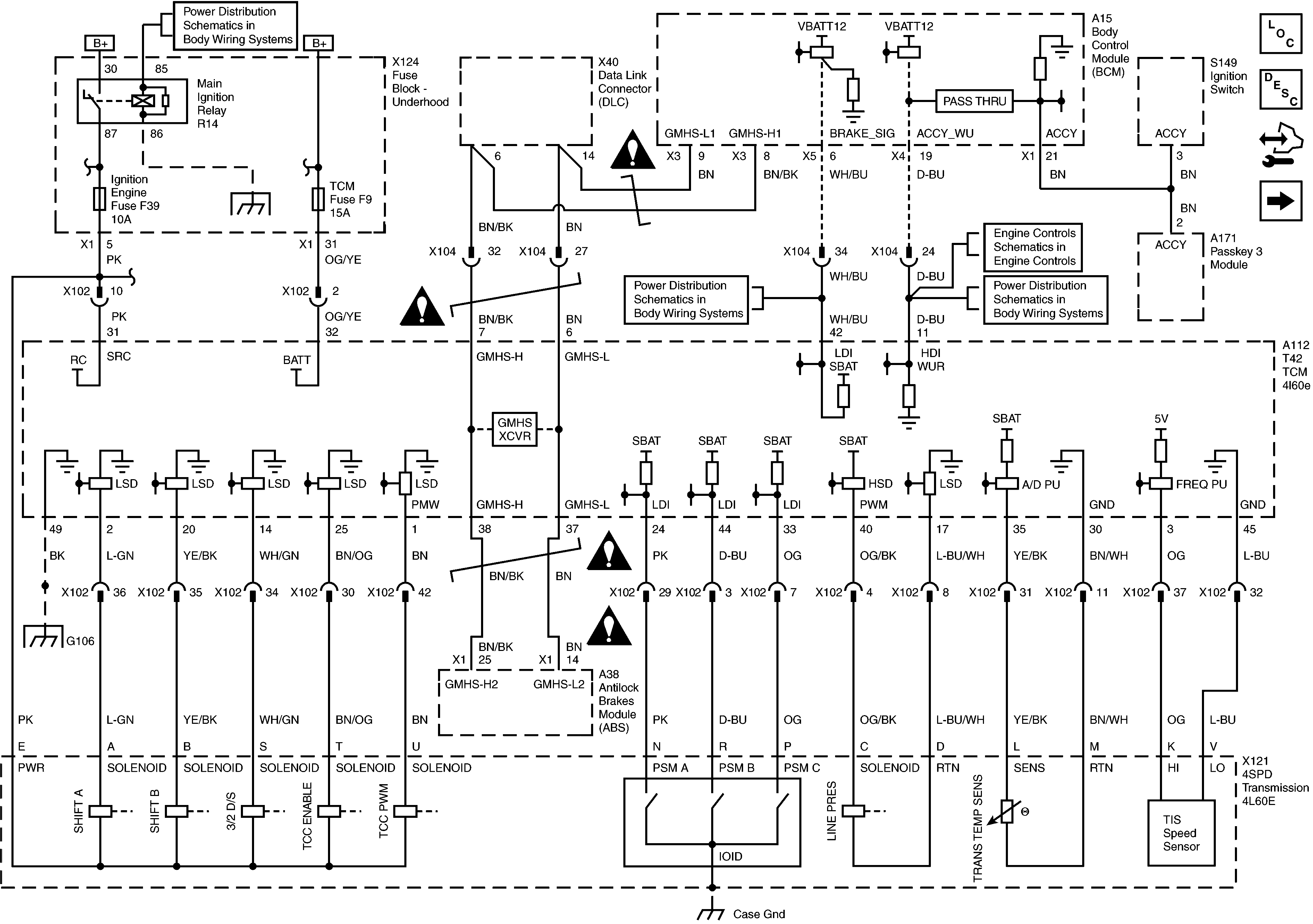
🢒 TCM and Transmission, Power, Ground, Serial Data, Inputs and Outputs
TCM and Transmission, Power, Ground, Serial Data, Inputs and Outputs
TCM and Transmission, Power, Ground, Serial Data, Inputs and Outputs
Master Electrical Component List
Transmission General Information
Control Module References
NSBU Switch and TOSS Sensor
Automatic Transmission Schematic Icons
Automatic Transmission Schematic Icons
Automatic Transmission Schematic Icons
G103, G106, G107, G108 and G109 (3.6L)
ECM Power, Ground and Serial Data
B+ Bus - 1 of 2
ABS MTR, ABS Valves HVAC Bat, HVAC Blwr, RTD and TCM Fuses
ABS MTR, ABS Valves HVAC Bat, HVAC Blwr, RTD and TCM Fuses