GM Service Manual Online
For 1990-2009 cars only
Makes
🢒
Chevrolet
🢒
2007
🢒
Caprice WM
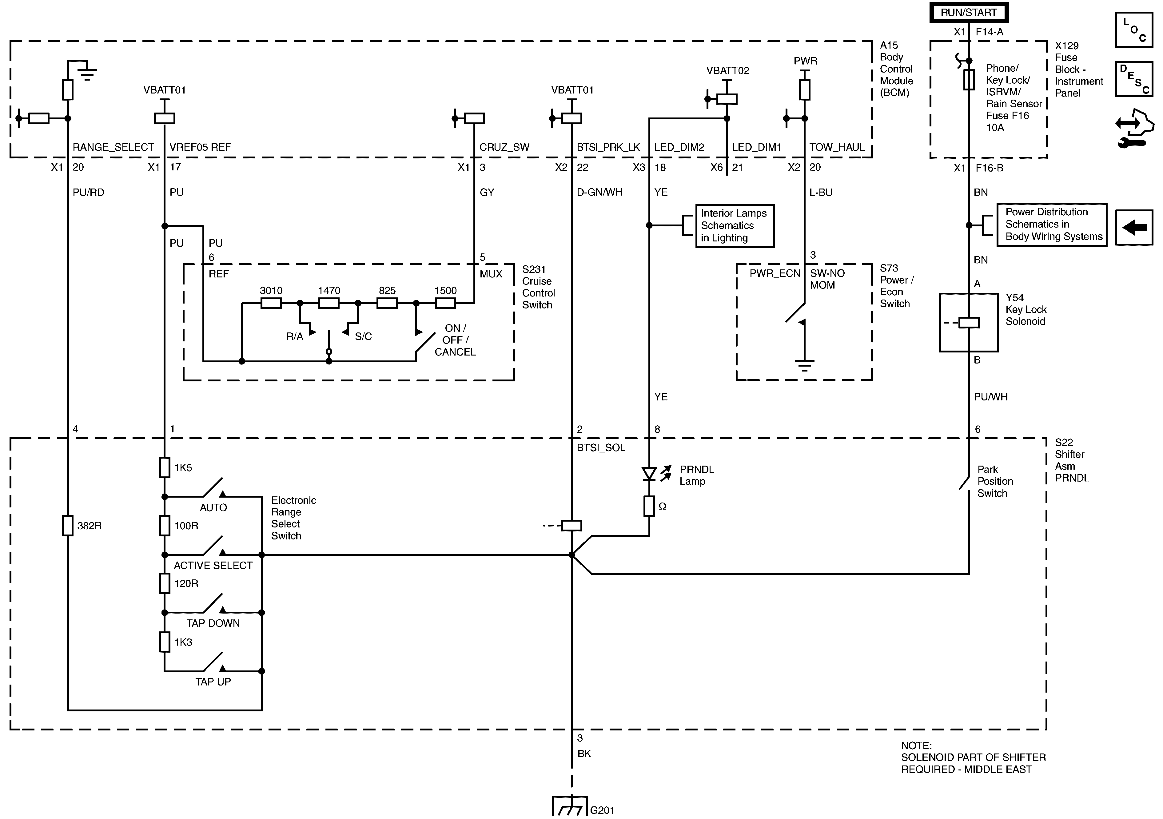
🢒 Shifter Assembly, Power/Economy Switch and Cruise Control Switch
Shifter Assembly, Power/Economy Switch and Cruise Control Switch
Shifter Assembly, Power/Economy Switch and Cruise Control Switch
Master Electrical Component List
Transmission General Information
Control Module References
NSBU Switch and TOSS Sensor
B+ Bus - 1 of 2
Ignition Key Cylinder Lamp, Courtesy Lamps, Compartment Lamps and Sunshade Lamps, Power and Ground
G201 - 1 of 2
B+ Bus - 1 of 2