GM Service Manual Online
For 1990-2009 cars only
Makes
🢒
Chevrolet
🢒
2007
🢒
Caprice WM
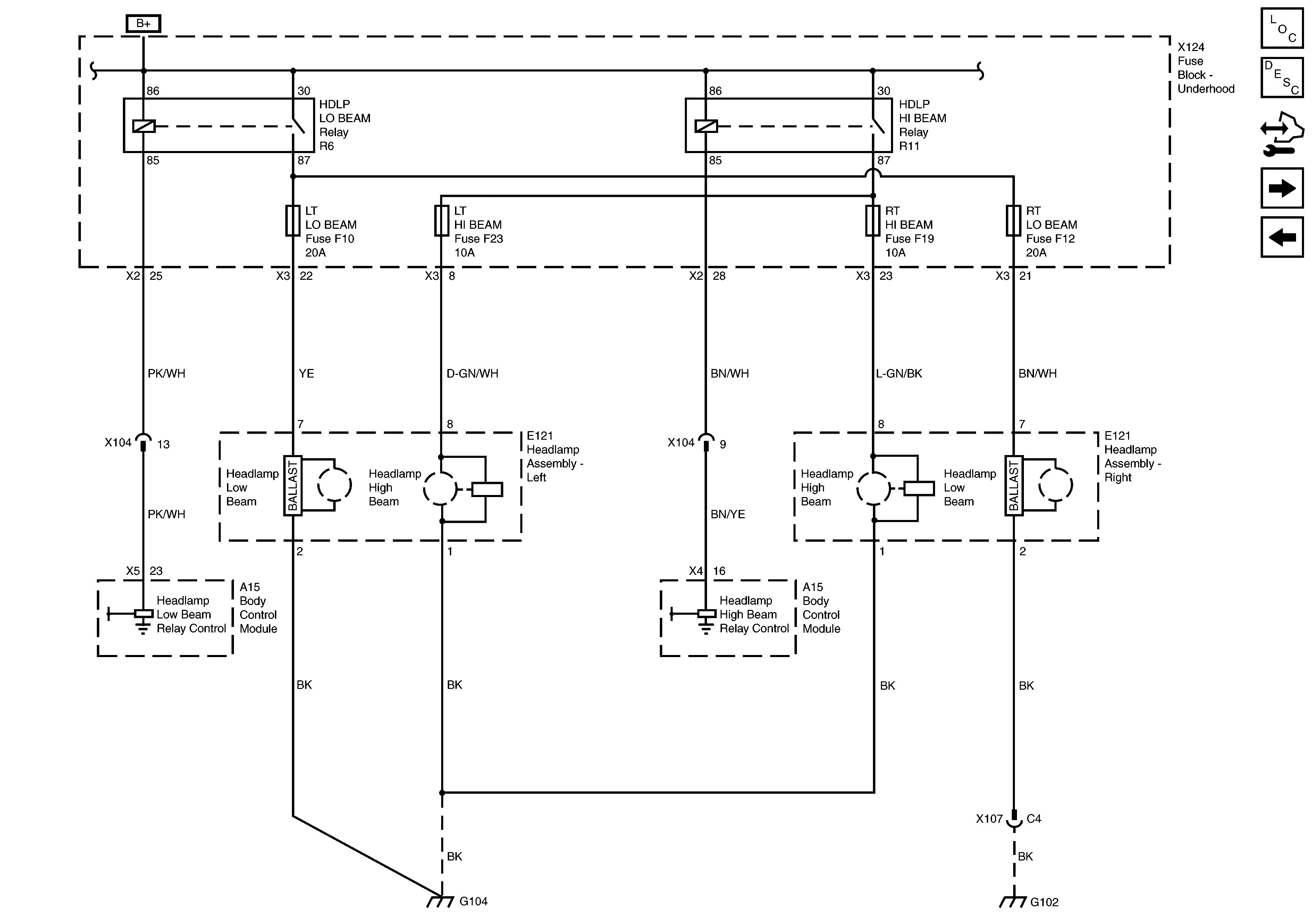
🢒 Headlamps Power and Ground
Headlamps Power and Ground
Headlamps Power and Ground
Master Electrical Component List
Exterior Lighting Systems Description and Operation VXR8
Control Module References
Parklamps and License Plate Lamps Power and Grounds
Headlamps Power and Ground
G104
G101 and G102