GM Service Manual Online
For 1990-2009 cars only
Makes
🢒
Chevrolet
🢒
2007
🢒
Caprice WM
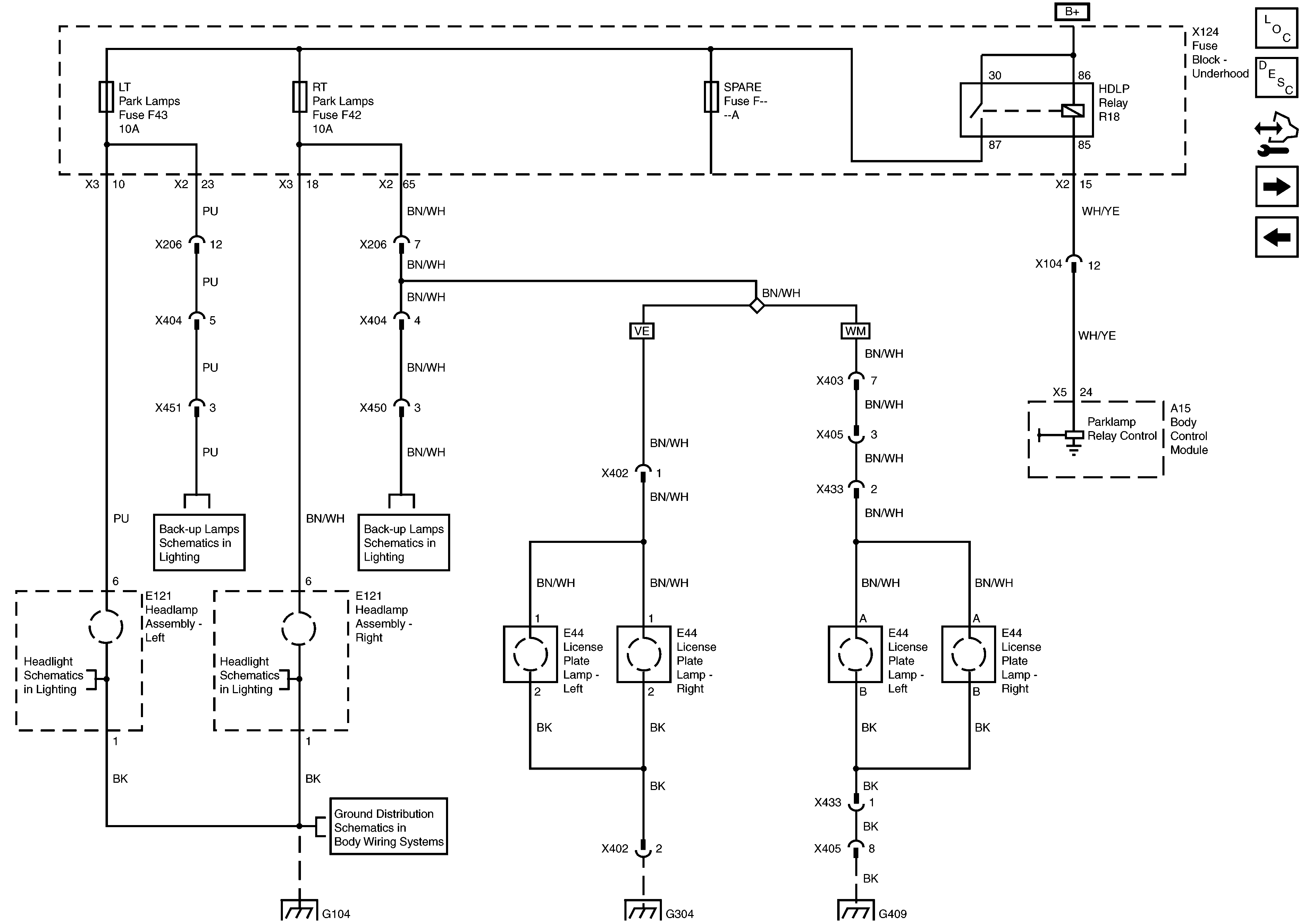
🢒 Parklamps and License Plate Lamps Power and Grounds
Parklamps and License Plate Lamps Power and Grounds
Parklamps and License Plate Lamps Power and Grounds
Master Electrical Component List
Exterior Lighting Systems Description and Operation VXR8
Control Module References
Headlamps Power and Ground
Exterior Illumination Lamps Power and Ground
G104
G303 and G304 - 1 of 2
G401 and G409
Turn Signal Multifunction Switch, Front, Side and Rear Repeater Lamps Power and Ground
Turn Signal Multifunction Switch, Front, Side and Rear Repeater Lamps Power and Ground
G104