GM Service Manual Online
For 1990-2009 cars only
Makes
🢒
Chevrolet
🢒
2001
🢒
Chevy C Cab/Chassis HD (GMT 400)
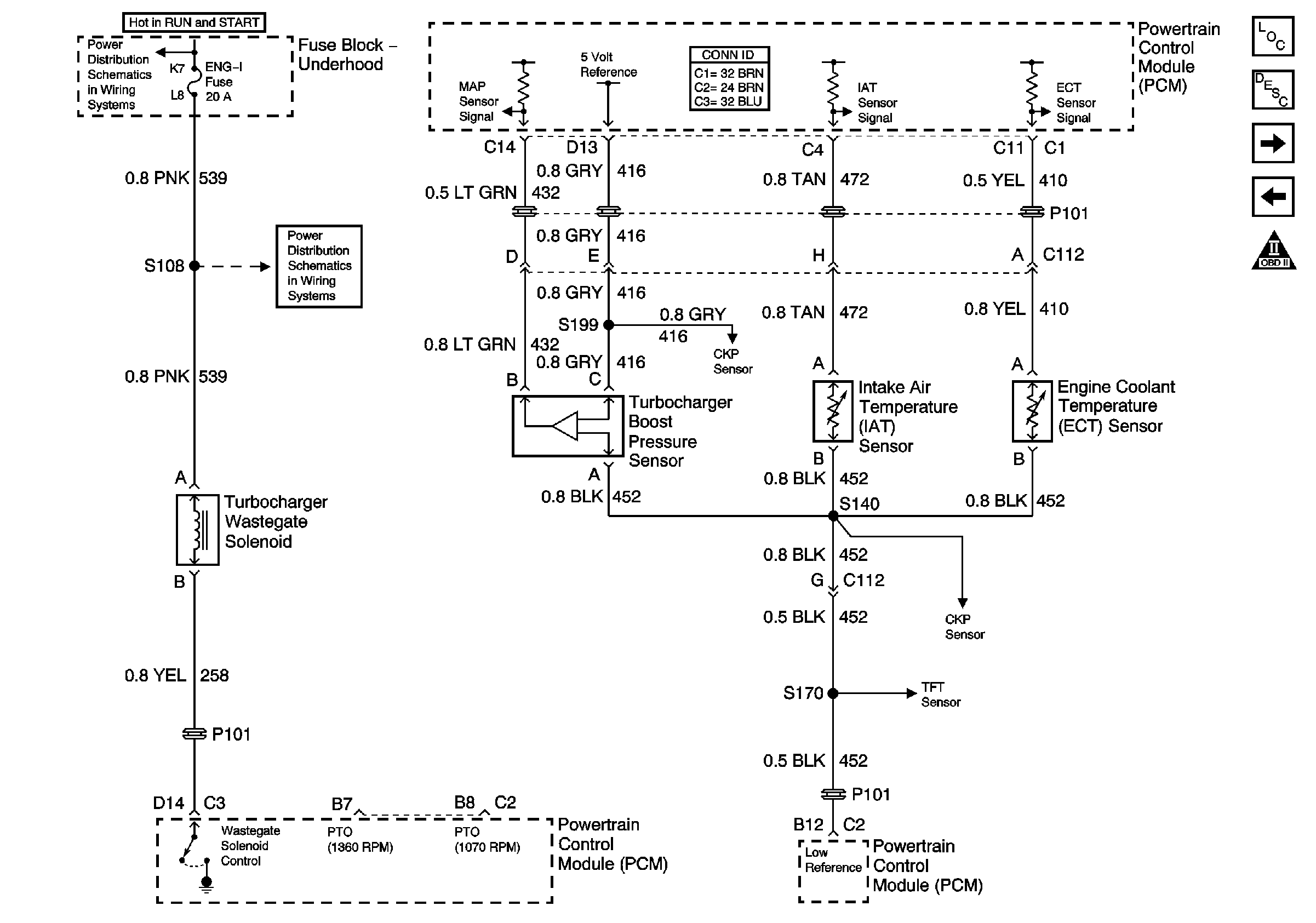
🢒 Wastegate Solenoid, Boost Sensor, IAT Sensor, ECT Sensor, and PTO
Wastegate Solenoid, Boost Sensor, IAT Sensor, ECT Sensor, and PTO
Wastegate Solenoid, Boost Sensor, IAT Sensor, ECT Sensor, and PTO
Master Electrical Component List
VSS Circuit
Fuel Solenoid Driver and Engine Shut Off Solenoid
OBD II Symbol Description Notice
IGN A Fuse and Ignition Switch
ENG-I and ECM-I Fuses (L65)
CKP and Injection Timing Stepper Motor
CKP and Injection Timing Stepper Motor
A/T Internal Switches, TFT, PC Solenoid Valve, and Input Shaft Speed Sensor