GM Service Manual Online
For 1990-2009 cars only
Makes
🢒
Chevrolet
🢒
2001
🢒
Chevy C Cab/Chassis HD (GMT 400)
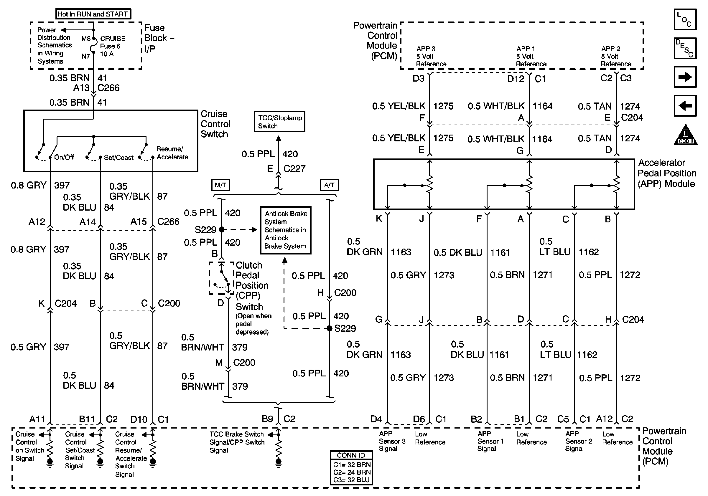
🢒 Accelerator Pedal Position, Clutch Pedal Position Switch, and Cruise Control Switch Inputs
Accelerator Pedal Position, Clutch Pedal Position Switch, and Cruise Control Switch Inputs
Accelerator Pedal Position, Clutch Pedal Position Switch, and Cruise Control Switch Inputs
Master Electrical Component List
Fuel System Description
A/T TCC/Stop Lamps Switch and Shift Solenoids
Wastegate Solenoid, Boost Sensor, IAT Sensor, ECT Sensor, and PTO
OBD II Symbol Description Notice
ABS, Blower, Stop-Haz, and IGN B Fuses, and Ignition Switch
A/T TCC/Stop Lamps Switch and Shift Solenoids
EBCM Stoplamp Switch and Wheel Speed Inputs