GM Service Manual Online
For 1990-2009 cars only
Makes
🢒
Chevrolet
🢒
2001
🢒
Chevy C Cab/Chassis HD (GMT 400)
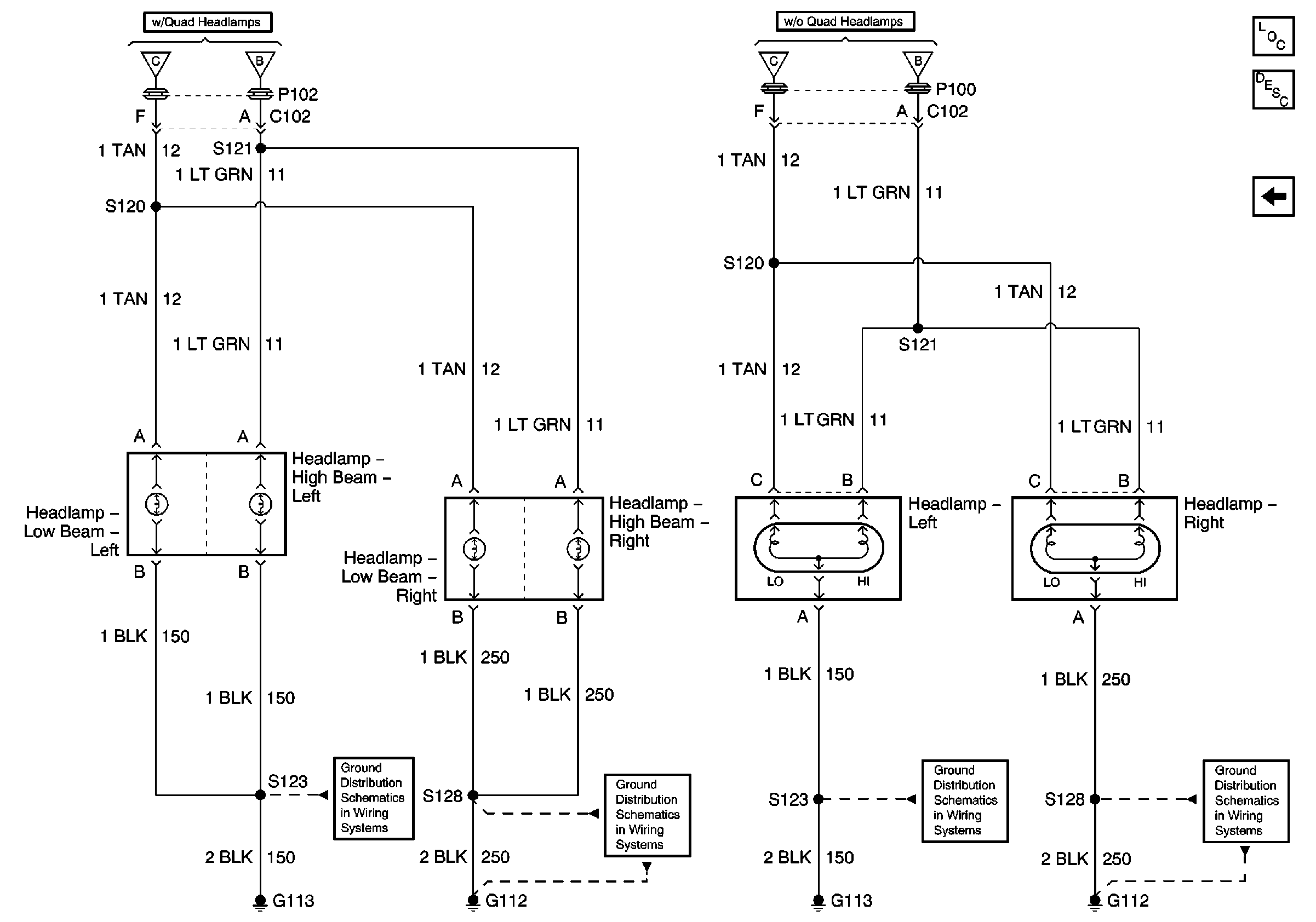
🢒 Headlamps Wiring
Headlamps Wiring
Headlamps Wiring
Master Electrical Component List
Exterior Lighting Systems Description and Operation
Daytime Running Lamps Control Circuits
Daytime Running Lamps Control Circuits
Daytime Running Lamps Control Circuits
G112, Lights, Right Side
L18 Charging
G112, Lights, Right Side
L18 Charging