GM Service Manual Online
For 1990-2009 cars only
Makes
🢒
Chevrolet
🢒
2001
🢒
Chevy C Cab/Chassis HD (GMT 400)
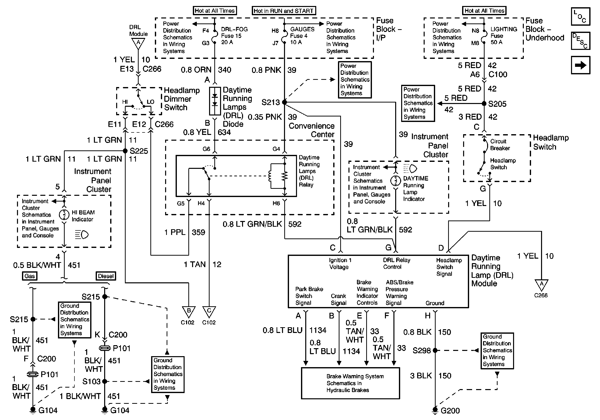
🢒 Daytime Running Lamps Control Circuits
Daytime Running Lamps Control Circuits
Daytime Running Lamps Control Circuits
Master Electrical Component List
Exterior Lighting Systems Description and Operation
Headlamps Wiring
Park Lamps and Illumination Fuses
IGN A Fuse and Ignition Switch
Gauges Fuse and Turn-B/U Fuse
Lighting and Battery Fuses
Battery and Underhood Fuse Block
Indicators and Illumination Lamps
G200
Brake Warning Lamp Circuit
Headlamps Wiring
G104, L65
G104, L18, 1 of 2, All Except HO2S Circuit
Indicators and Illumination Lamps