GM Service Manual Online
For 1990-2009 cars only
Makes
🢒
Chevrolet
🢒
2001
🢒
Chevy C Cab/Chassis HD (GMT 400)
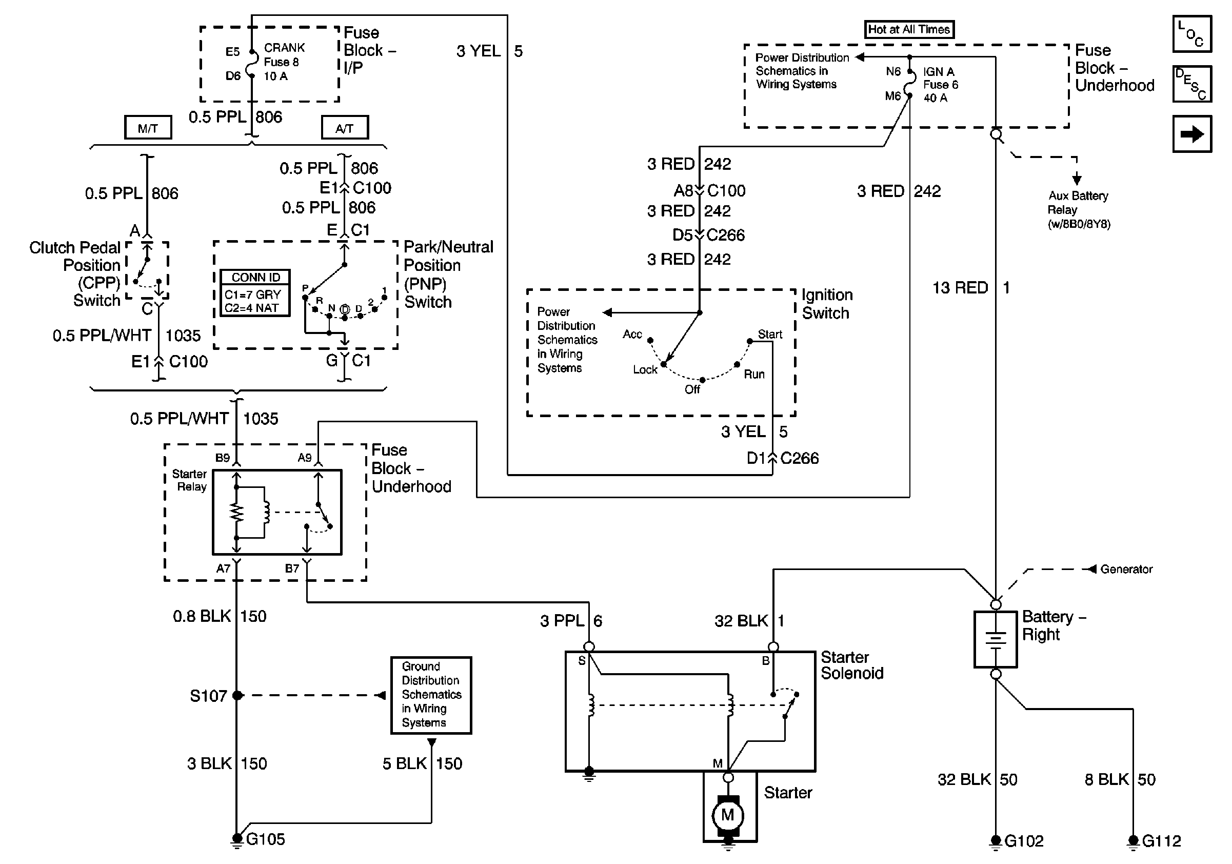
🢒 L18 Starting
L18 Starting
L18 Starting
IGN A Fuse and Ignition Switch
Battery and Underhood Fuse Block
L18 Charging
Master Electrical Component List
Starting System Description and Operation
L18 Charging
L18 Charging
G105, L18, 1 of 2, All Except Ignition Coils