GM Service Manual Online
For 1990-2009 cars only
Makes
🢒
Chevrolet
🢒
2001
🢒
Chevy C Cab/Chassis HD (GMT 400)
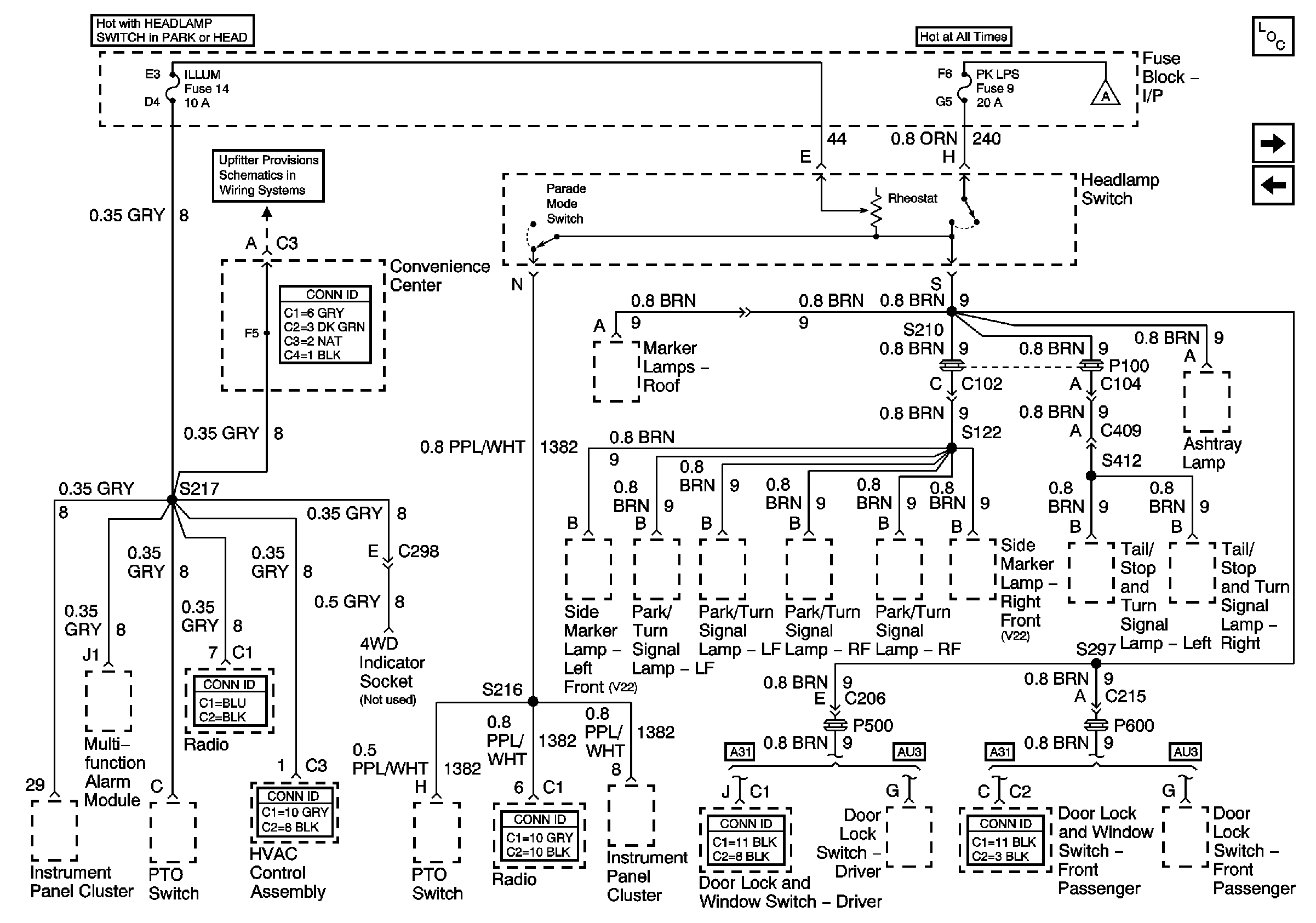
🢒 Park Lamps and Illumination Fuses
Park Lamps and Illumination Fuses
Park Lamps and Illumination Fuses
Roof Lamp Wiring - 5G4
Lighting and Battery Fuses
DRL-Fog, Security, and CTSY Fuses
Master Electrical Component List
Stop/Haz, Radio Batt, Aux Pwr, and Cig Ltr Fuses
DRL-Fog, Security, and CTSY Fuses