GM Service Manual Online
For 1990-2009 cars only
Makes
🢒
Chevrolet
🢒
2002
🢒
Chevy C Cab/Chassis HD (GMT 400)
🢒 L18 Fuel Pump Controls - Single Tank
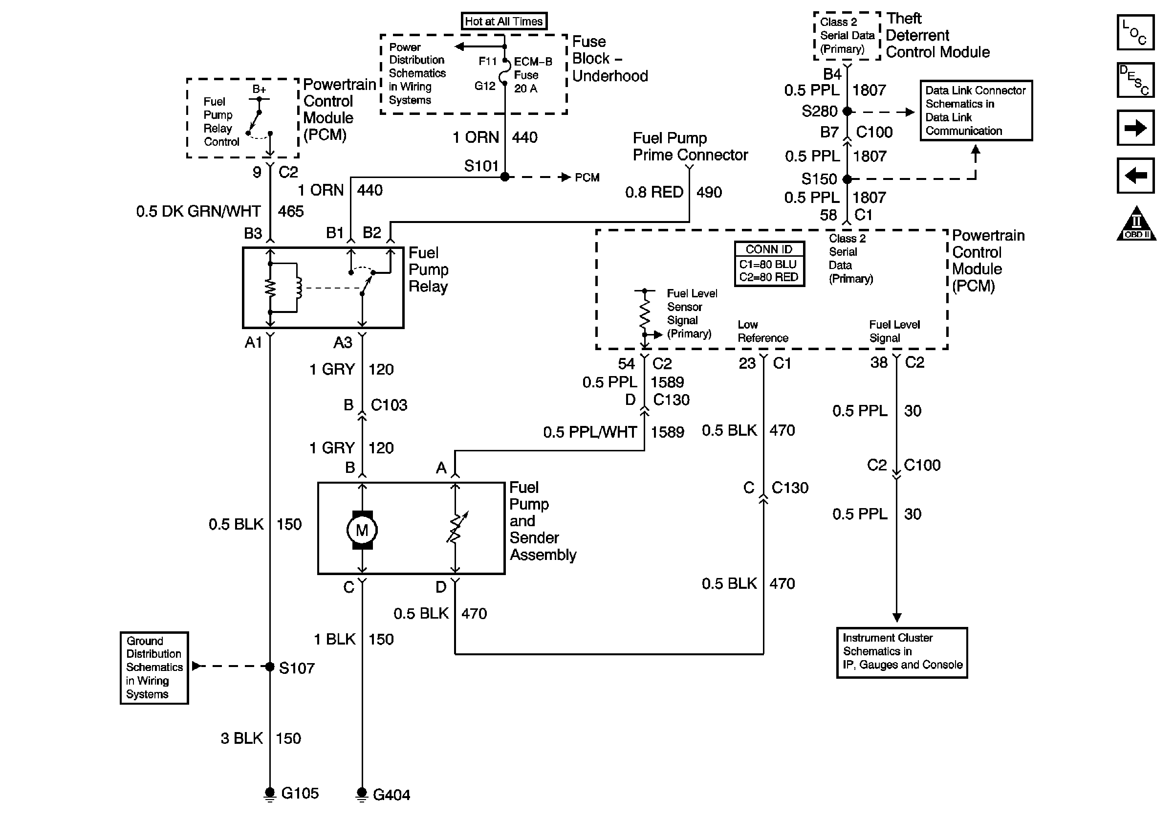
L18 Fuel Pump Controls - Single Tank
Fuel Pump Controls, Single Tank
Master Electrical Component List
Fuel System Description
L18 Fuel Pump Controls - Dual Tanks
L18 CMP, CKP, and KS
OBD II Symbol Description Notice
Battery and Underhood Fuse Block
L18 PCM Power, Grounding, DLC, and MIL Control
Theft Deterrent System
Datalink Connector Schematic
Fuel Gauge, Tachometer, and Speedometer
G105, L18, All except Ignition Coils