GM Service Manual Online
For 1990-2009 cars only
Makes
🢒
Chevrolet
🢒
1997
🢒
Chevy C Pickup - 2WD
🢒 Transmission Pressure Controls - 4L80-E
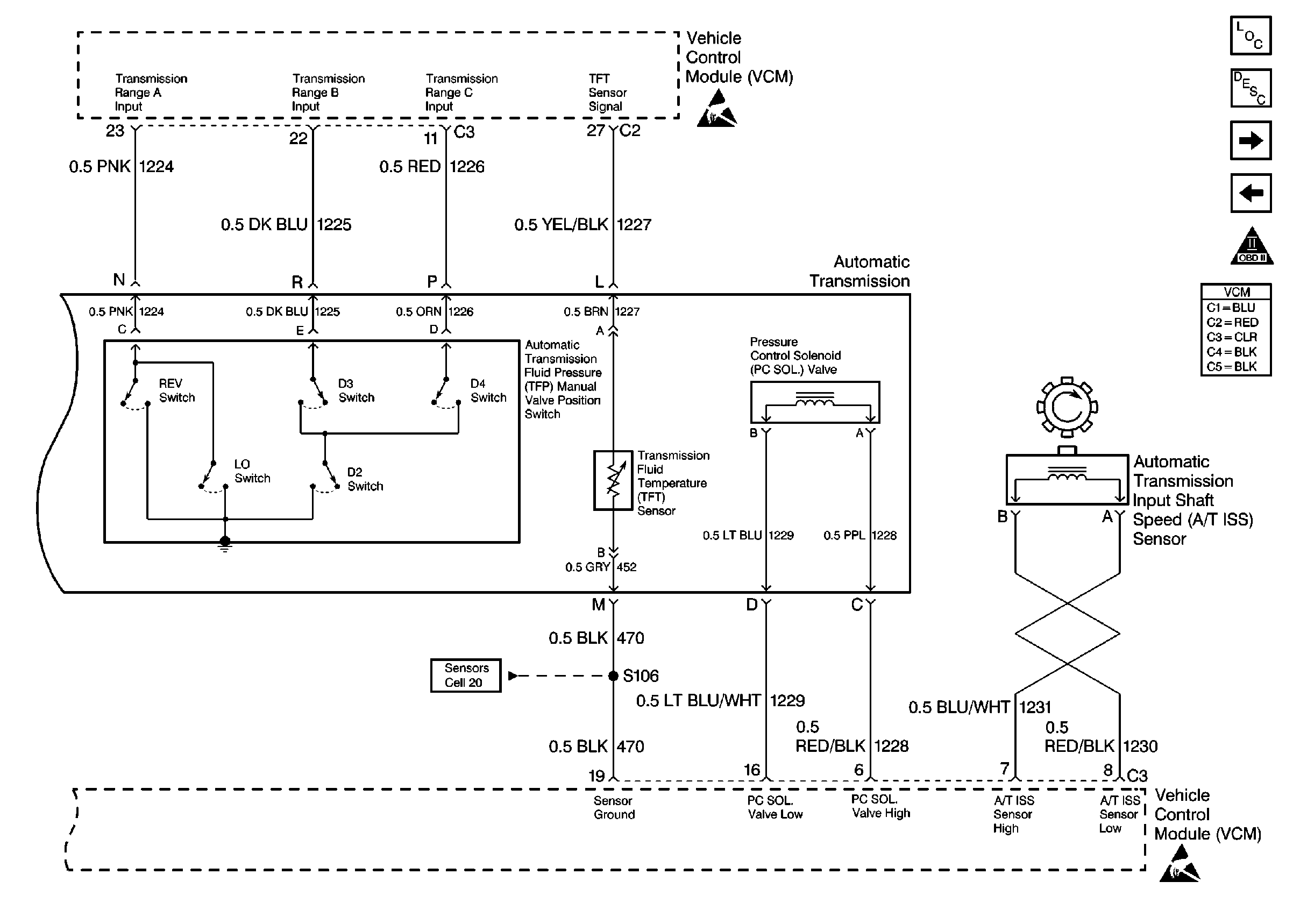
Transmission Pressure Controls - 4L80-E
Transmission Pressure Controls - 4L80-E
Engine Controls Components
Transmission Shift Controls and Brake Switch - 4L80-E
Transmission Shift Controls and Brake Switch - 4L60-E
OBD II Symbol Description Notice
MAF, EVAP, and EGR - 5.0, 5.7, 7.4L
Handling Electrostatic Discharge Sensitive Parts Notice
Handling Electrostatic Discharge Sensitive Parts Notice