GM Service Manual Online
For 1990-2009 cars only

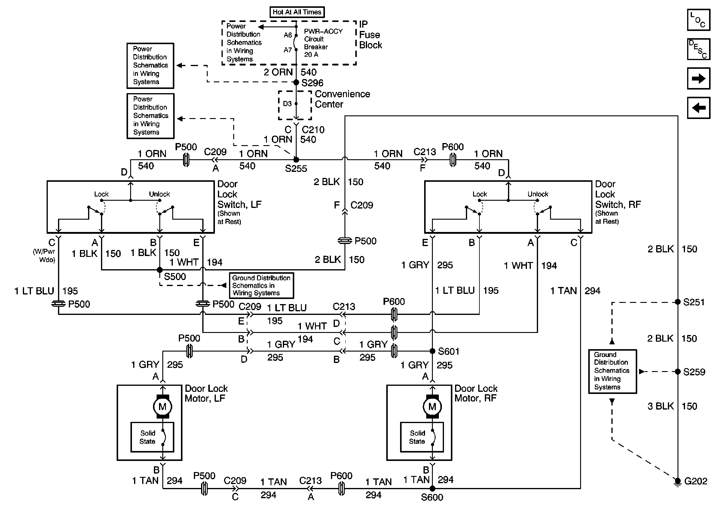
Door Lock/Indicator Schematics Except Luxury

Figure 1:

Crew Cab and 4 -- Door Utility (1 of 2)


Object Number: 564525  Size: FS
Power Door Systems Components
Power Door Locks Circuit Description Except Luxury
Crew Cab and 4 - Door Utility (2 of 2)
Handling ESD Sensitive Parts Notice
Handling ESD Sensitive Parts Notice
CIG LTR Fuse
CIG LTR Fuse
CIG LTR Fuse
CIG LTR Fuse
Crew Cab and 4 - Door Utility (2 of 2)
Crew Cab and 4 - Door Utility (2 of 2)
CTSY Fuse 3, Door Jamb Switches
G400
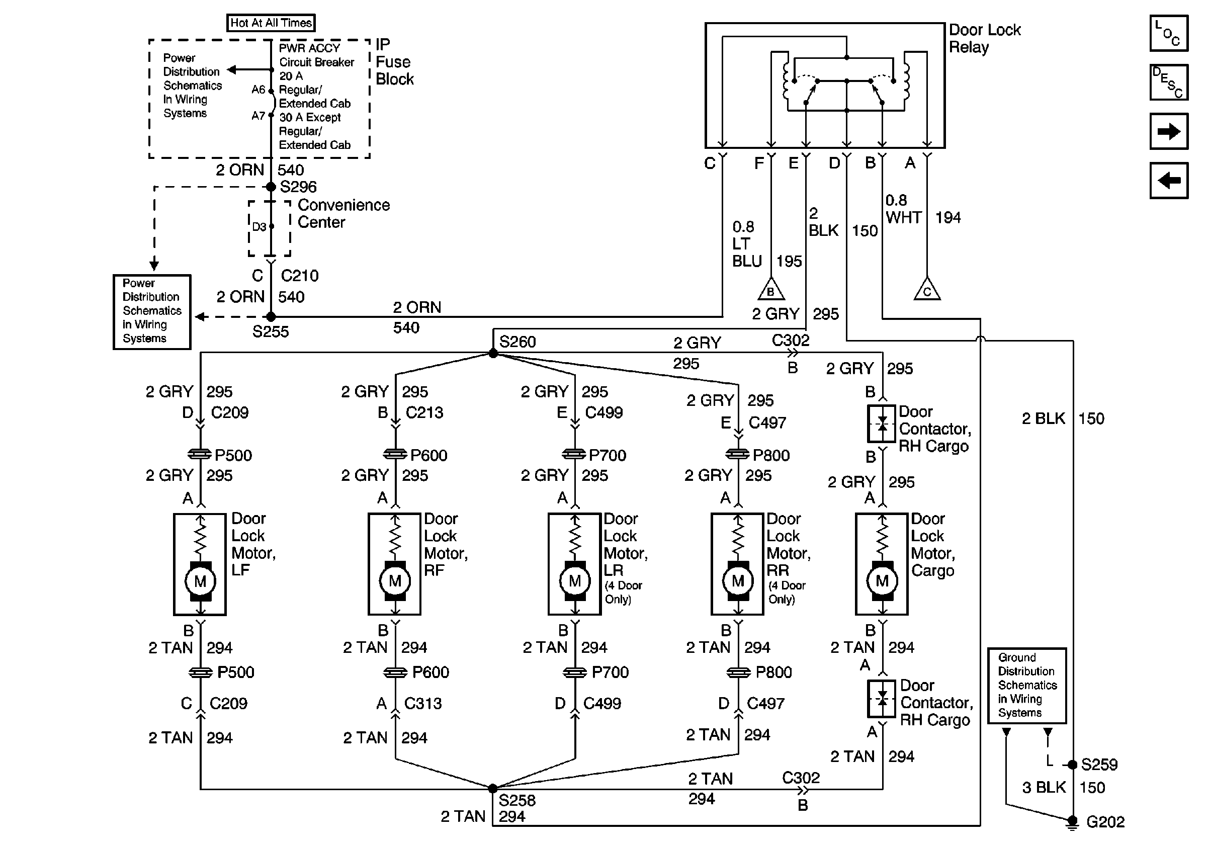
Figure 2:

Crew Cab and 4 -- Door Utility (2 of 2)


Object Number: 564542  Size: FS
Power Door Systems Components
Power Door Locks Circuit Description Except Luxury
2 - Door Pickup
Crew Cab and 4 - Door Utility (1 of 2)
AUX Fuse and PWR-ACCY Circuit Breaker
AUX Fuse and PWR-ACCY Circuit Breaker
Crew Cab and 4 - Door Utility (1 of 2)
Crew Cab and 4 - Door Utility (1 of 2)
G202 (1 of 4)
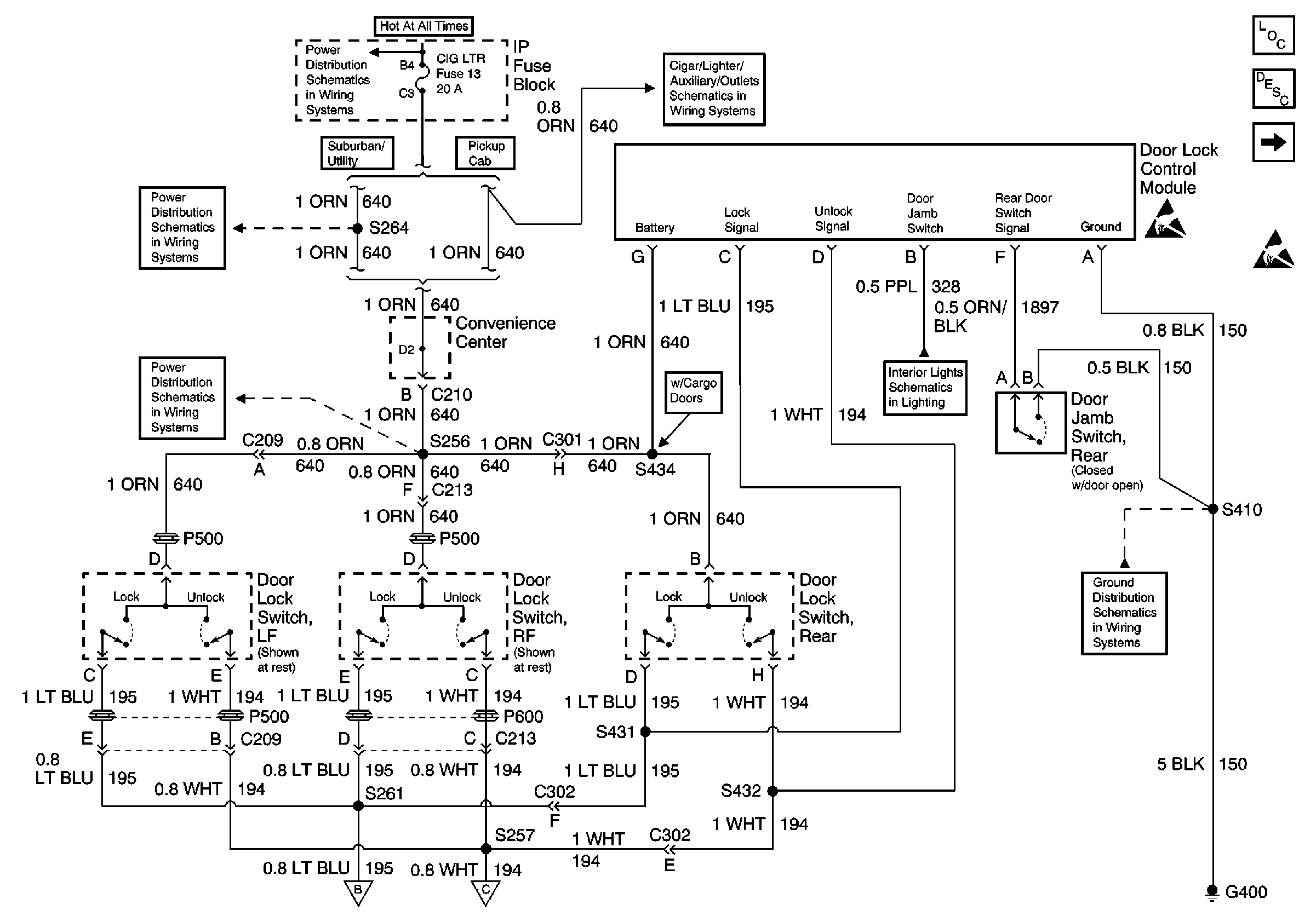
Figure 3:

2 -- Door Pickup


Object Number: 564562  Size: FS
Power Door Systems Components
Power Door Locks Circuit Description Except Luxury
Door Locks and Fuses
Crew Cab and 4 - Door Utility (2 of 2)
AUX Fuse and PWR-ACCY Circuit Breaker
AUX Fuse and PWR-ACCY Circuit Breaker
G202 (3 of 4)
G202 (1 of 4)

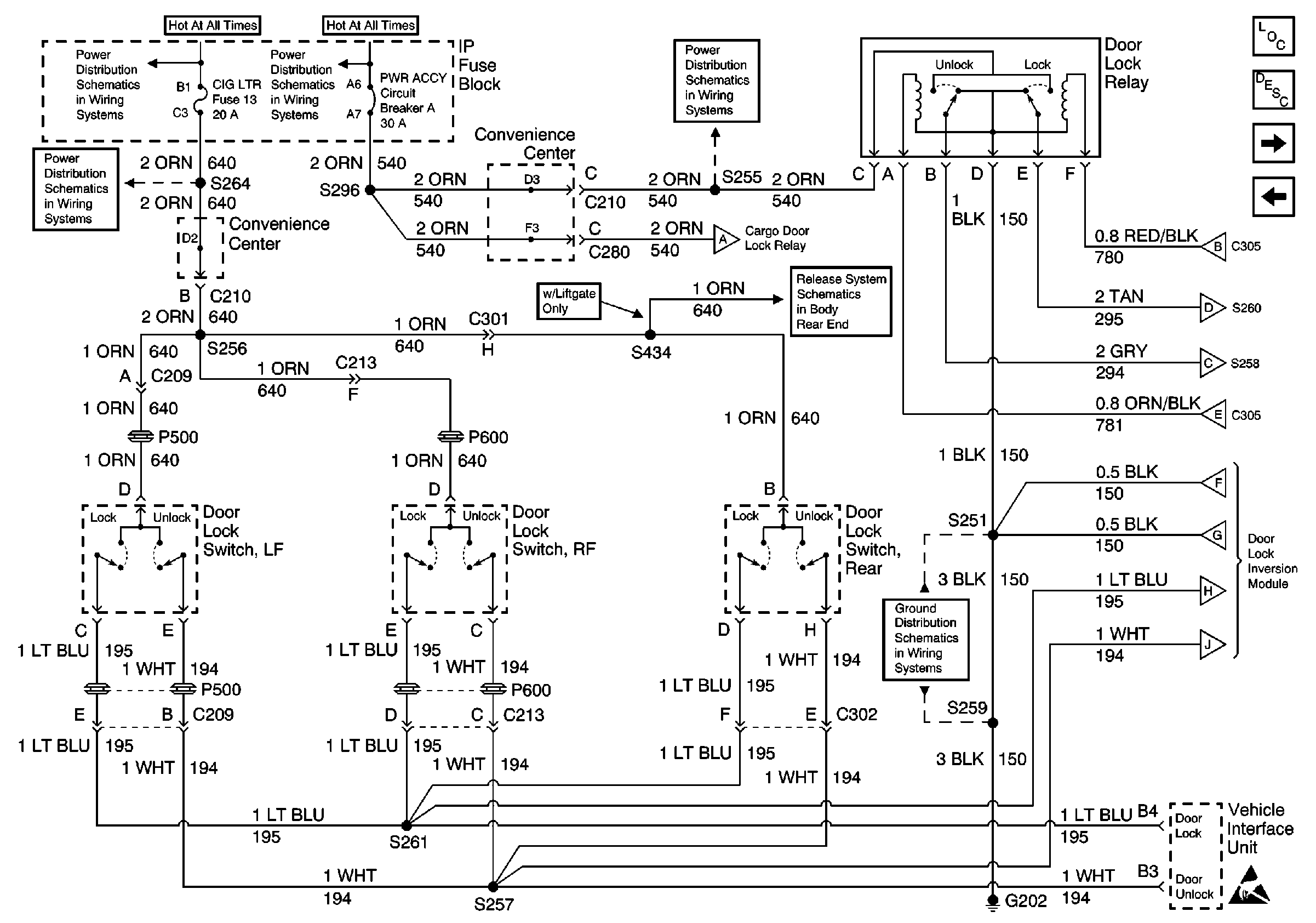
Door Lock/Indicator Schematics Luxury

Figure 1:

Door Locks and Fuses


Object Number: 564571  Size: FS
Power Door Systems Components
Power Door Locks Circuit Description Except Luxury
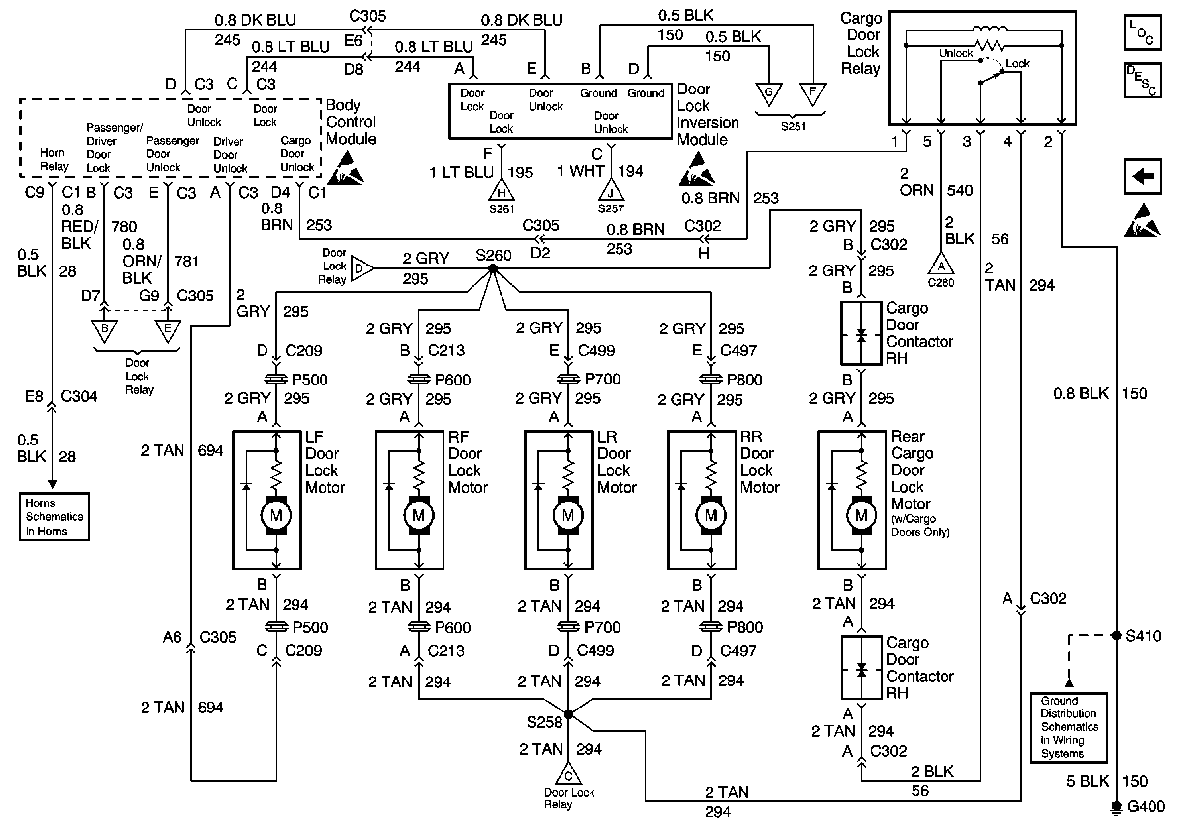
Door Lock Motors and Body Control Module
2 - Door Pickup
CIG LTR Fuse
AUX Fuse and PWR-ACCY Circuit Breaker
CIG LTR Fuse
Luxury
G202 (1 of 4)
Door Lock Motors and Body Control Module
Door Lock Motors and Body Control Module
Door Lock Motors and Body Control Module
Door Lock Motors and Body Control Module
Door Lock Motors and Body Control Module
Door Lock Motors and Body Control Module
Door Lock Motors and Body Control Module
Door Lock Motors and Body Control Module
Door Lock Motors and Body Control Module
Handling ESD Sensitive Parts Notice
Figure 2:

Door Lock Motors and Body Control Module


Object Number: 564578  Size: FS
Power Door Systems Components
Power Door Locks Circuit Description Luxury
Door Locks and Fuses
Handling ESD Sensitive Parts Notice
Handling ESD Sensitive Parts Notice
Handling ESD Sensitive Parts Notice
Horns
G400
Door Locks and Fuses
Door Locks and Fuses
Door Locks and Fuses
Door Locks and Fuses
Door Locks and Fuses
Door Locks and Fuses
Door Locks and Fuses
Door Locks and Fuses
Door Locks and Fuses