GM Service Manual Online
For 1990-2009 cars only
Makes
🢒
Chevrolet
🢒
2000
🢒
Chevy C Pickup - 2WD
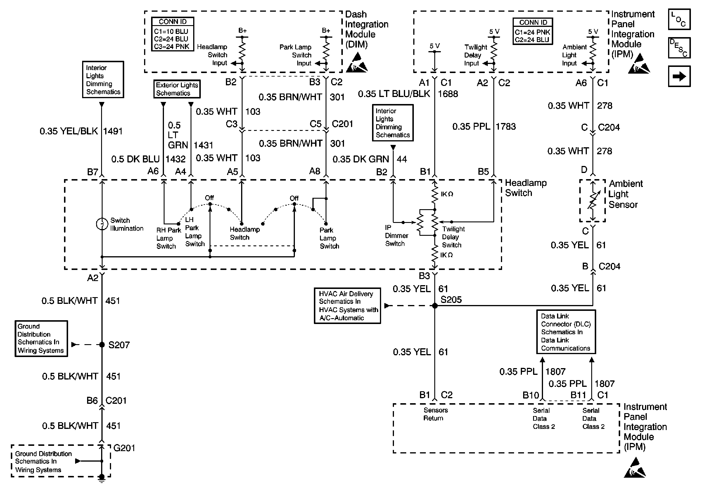
🢒 Headlamp Switch
Headlamp Switch
Headlamp Switch
Lighting Systems Components
Headlights Circuit Description
Low Beam Headlamps
G201 - Steering Column CKT 451
G201 - Steering Column CKT 451
Sensors
Serial Data Class 2 (1 of 3)
Dimming Control
Instrument Panel Dimming
Headlamp Switch, Park Lamp Relay
Handling ESD Sensitive Parts Notice
Handling ESD Sensitive Parts Notice
Handling ESD Sensitive Parts Notice