GM Service Manual Online
For 1990-2009 cars only
Makes
🢒
Chevrolet
🢒
2000
🢒
Chevy C Pickup - 2WD
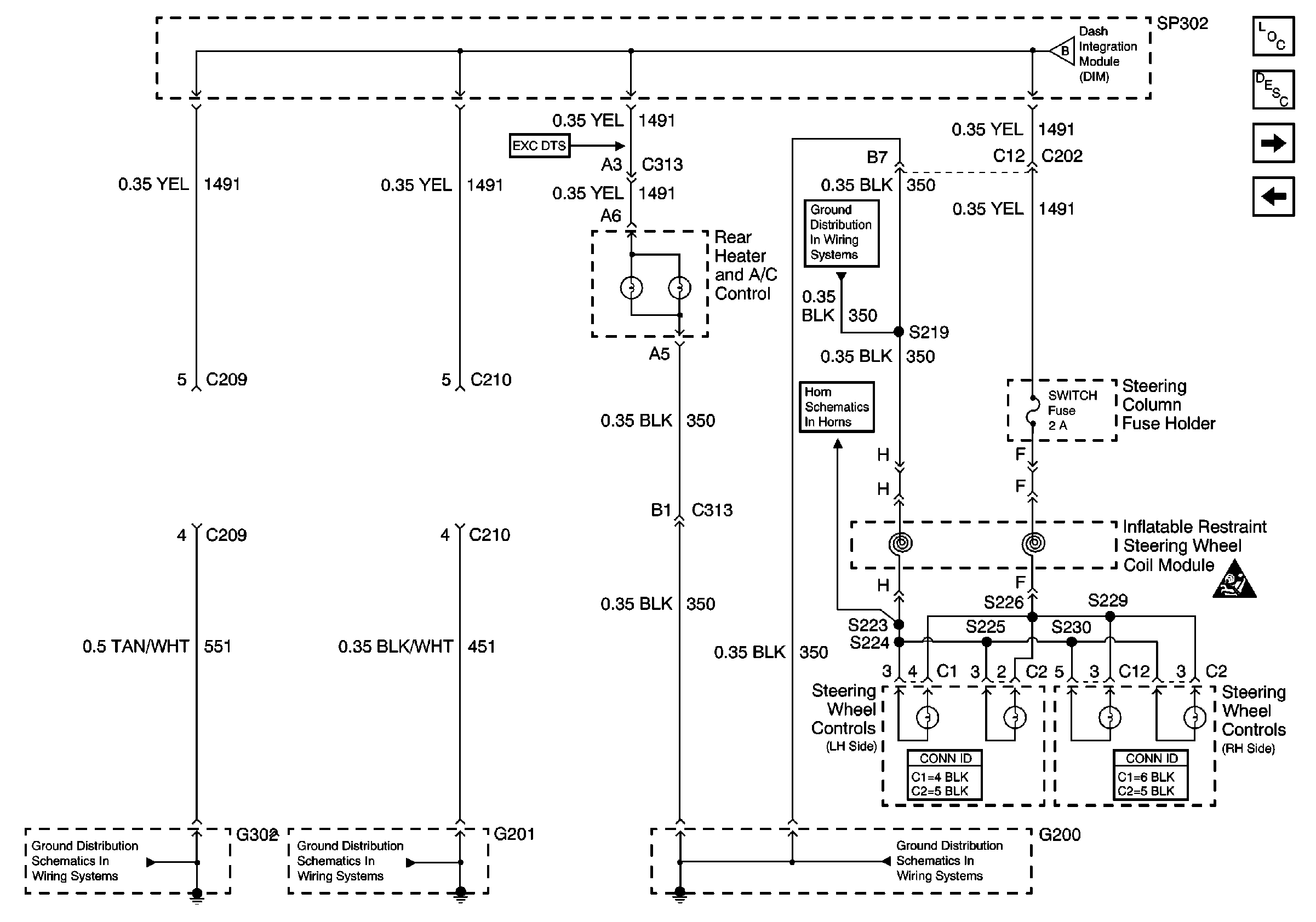
🢒 Steering Wheel Controls
Steering Wheel Controls
Steering Wheel Controls
Lighting Systems Components
Interior Lights Dimming Circuit Description
Console Dimming
Instrument Panel Dimming
G200
Horns Schematic
SIR Handling Caution
Instrument Panel Dimming
G200
G201-V4U/BQ9
G302-V4U/B9Q CKT 551