GM Service Manual Online
For 1990-2009 cars only
Makes
🢒
Chevrolet
🢒
2000
🢒
Chevy C Pickup - 2WD
🢒 LH Power Windows
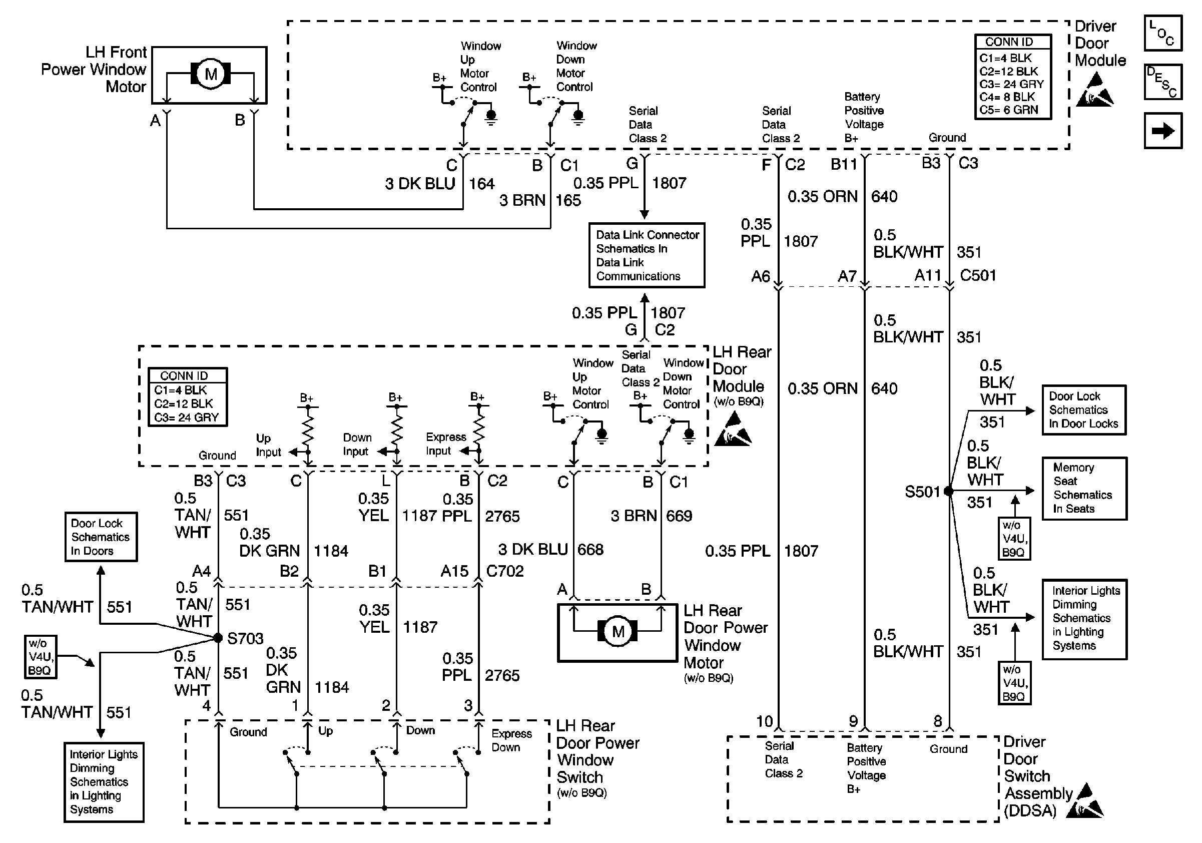
LH Power Windows
LH Power Windows
Power Door Systems Components
Power Windows Circuit Description
RH Power Windows
Handling ESD Sensitive Parts Notice
Handling ESD Sensitive Parts Notice
Handling ESD Sensitive Parts Notice
Serial Data Class 2 (3 of 3)
LH Rear Door Power Door Lock
Rear Door Dimming
Driver Door Power Door Lock
Memory Function Switch
Front Door Dimming