GM Service Manual Online
For 1990-2009 cars only
Makes
🢒
Chevrolet
🢒
2000
🢒
Chevy C Pickup - 2WD
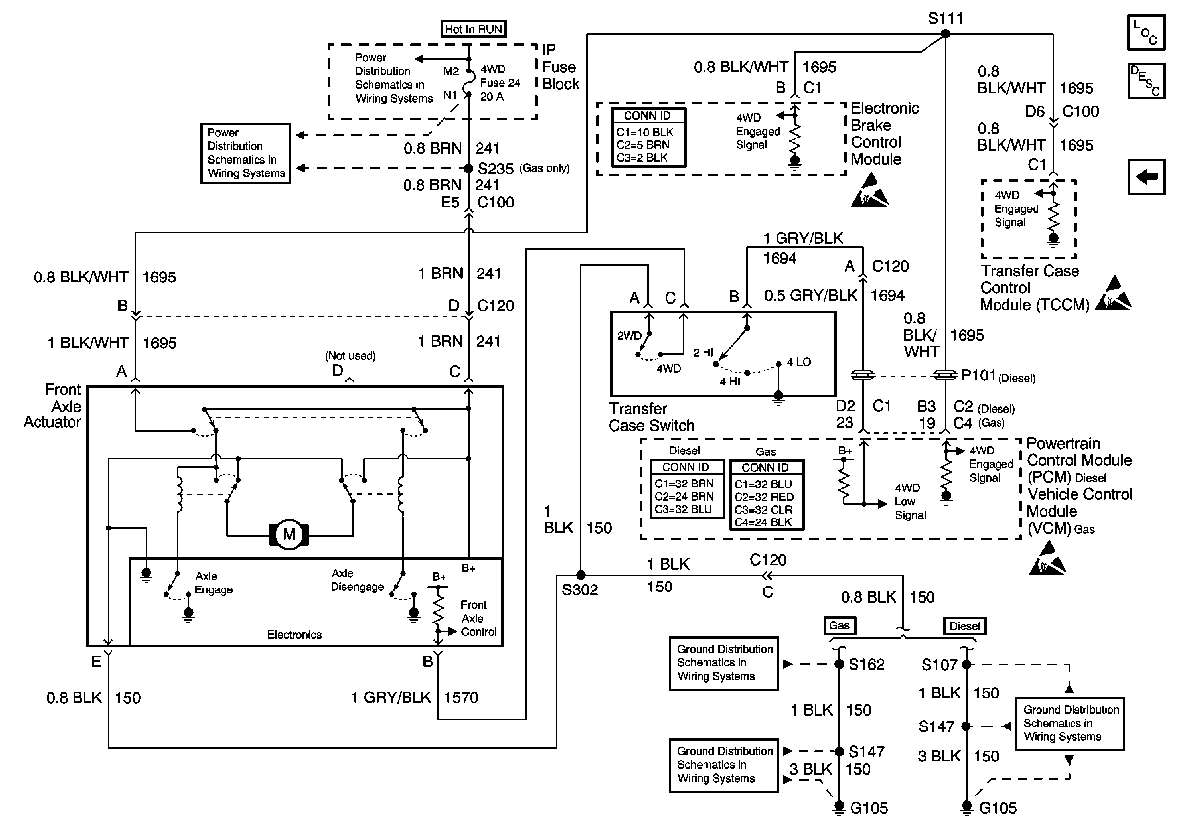
🢒 Front Axle Actuator Circuits
Front Axle Actuator Circuits
Front Axle Actuator Circuits
Transfer Case Control Components
Transfer Case Description
Control Module and Shift Motor/Encoder - Diesel Engines
G105 (1 of 2)
G105 (2 of 2)
G105 (1 of 2)
Handling ESD Sensitive Parts Notice
Handling ESD Sensitive Parts Notice
Handling ESD Sensitive Parts Notice
CRUISE and 4WD Fuses
IGN B Fuse and Ignition Switch