GM Service Manual Online
For 1990-2009 cars only
Makes
🢒
Chevrolet
🢒
2000
🢒
Chevy C Pickup - 2WD
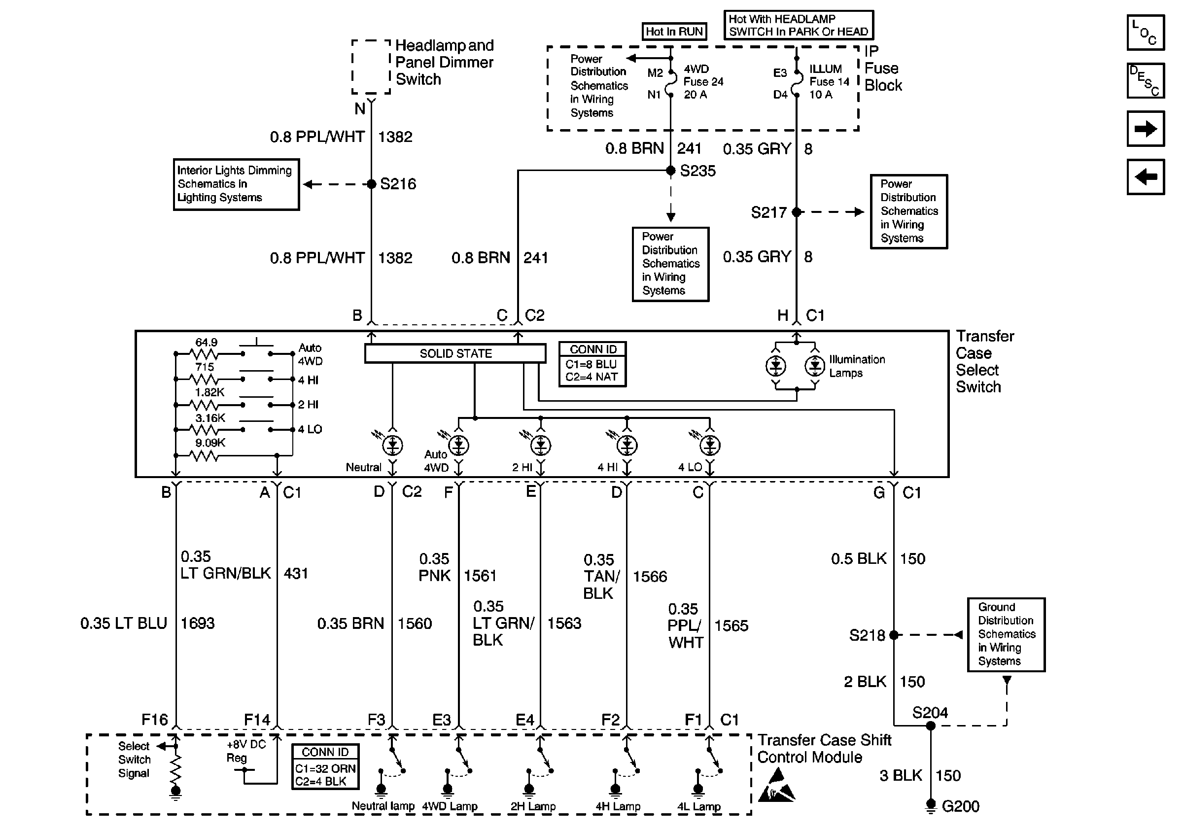
🢒 Transfer Case Select Switch Circuits
Transfer Case Select Switch Circuits
Transfer Case Select Switch Circuits
Transfer Case Control Components
Transfer Case Circuit Description
Front Axle Actuator Circuits
Shift Motor/Encoder Circuits, PNP, and PCM/VCM Interfaces
Handling ESD Sensitive Parts Notice
PK LPS Fuse 9, ILLUM Fuse 14, Headlamp and Panel Dimmer Switch (1of 2)
IGN B Fuse and Ignition Switch
CRUISE and 4WD Fuses
ILLUM Fuse
SECURITY/STRG, PK LPS, and DRL-FOG Fuses
G200 (1 of 4)