GM Service Manual Online
For 1990-2009 cars only
Makes
🢒
Chevrolet
🢒
2000
🢒
Chevy C Pickup - 2WD
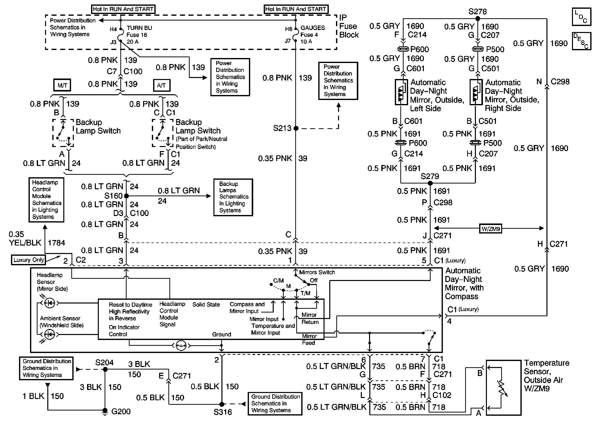
🢒 Automatic Day-Night Mirrors, Temperature Sensor and G200
Automatic Day-Night Mirrors, Temperature Sensor and G200
Automatic Day-Night Mirrors, Temperature Sensor and G200
Stationary Windows Components
Rear Window Defogger Circuit Description
G200 (3 of 4)
G200 (1 of 4)
GAUGES Fuse
GAUGES Fuse
AIR BAG, TURN B/U, CRANK, and TRANS Fuses
AIR BAG, TURN B/U, CRANK, and TRANS Fuses
Backup Lamps, Backup Switch
Headlamp and Panel Dimmer Switch, Headlamp Control Module