GM Service Manual Online
For 1990-2009 cars only
Makes
🢒
Chevrolet
🢒
2000
🢒
Chevy C Pickup - 2WD
🢒 Backup Lamps, Backup Switch
Backup Lamps, Backup Switch
Backup Lamps, Backup Switch
Lighting Systems Components
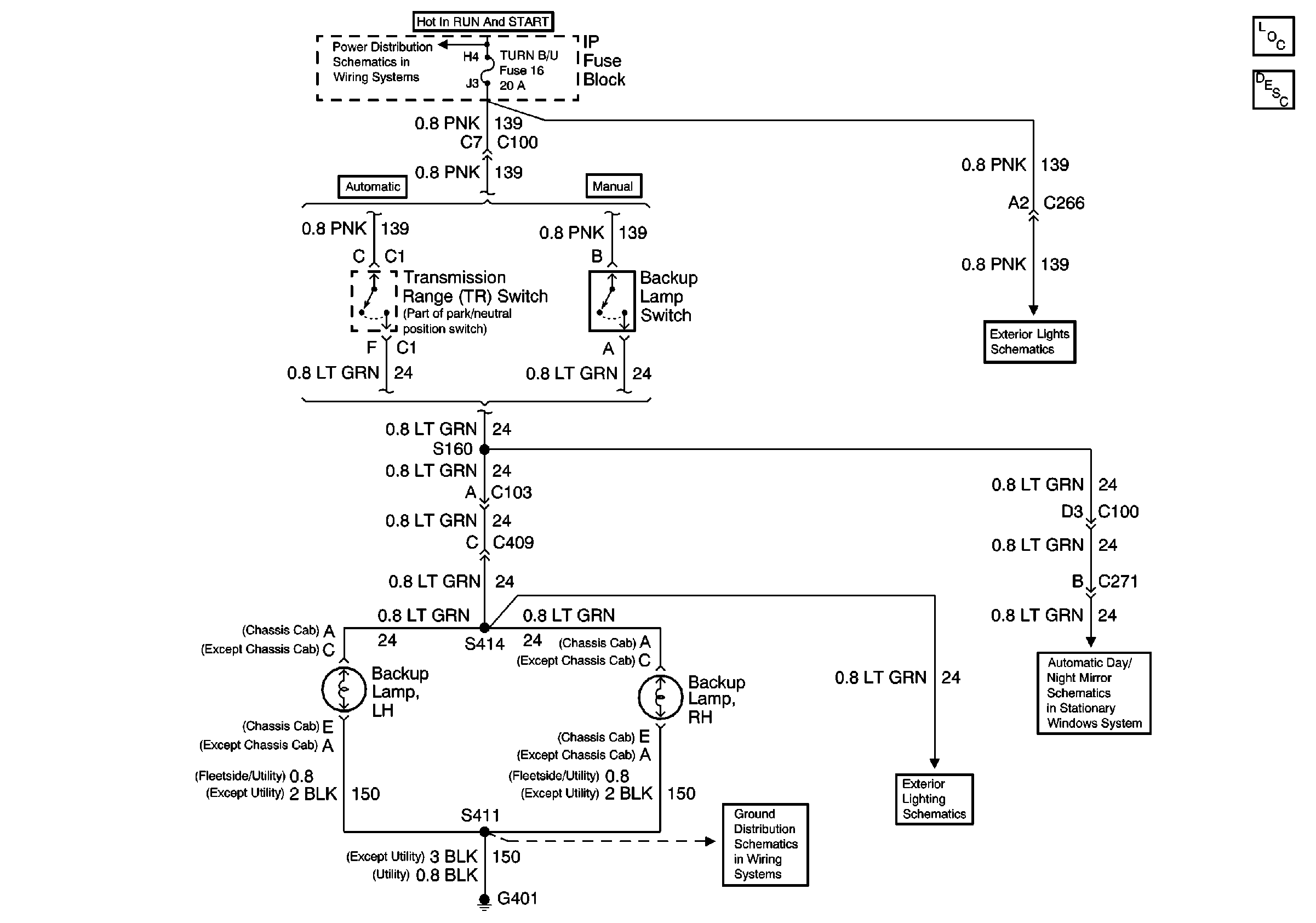
Backup Lamp Circuit Description
AIR BAG, TURN B/U, CRANK, and TRANS Fuses
STOP/HAZ Fuse 1, Turn/Hazard Switch, Turn/Hazard Flasher
Automatic Day-Night Mirrors, Temperature Sensor and G200
Trailer Tow
G401 and G403