GM Service Manual Online
For 1990-2009 cars only
Makes
🢒
Chevrolet
🢒
2000
🢒
Chevy C Pickup - 2WD
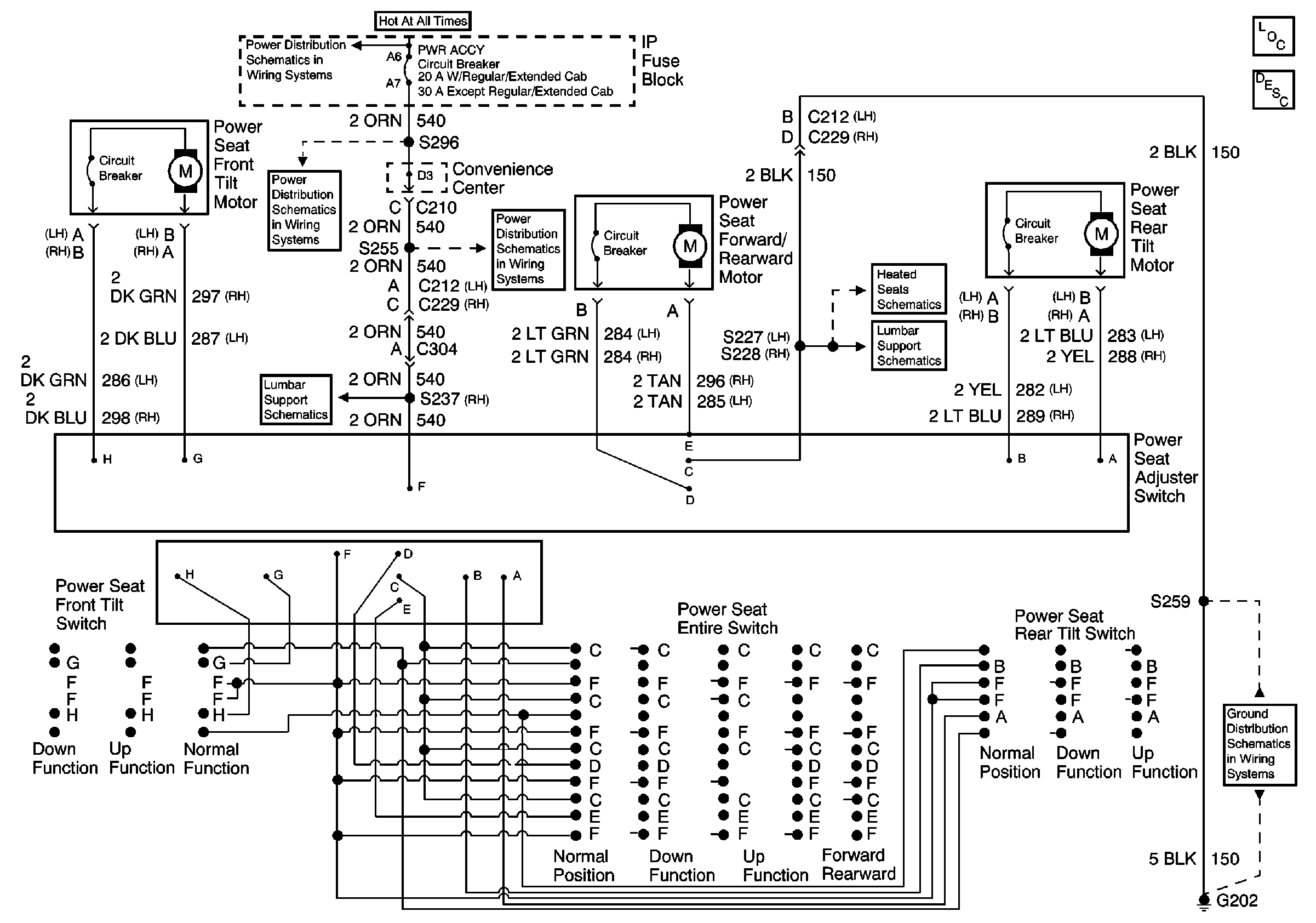
🢒 ell 141: PWR-ACCY Circ Brkr, Power Lumbar Seat Sws, Motors, G202 (00C/K)
ell 141: PWR-ACCY Circ Brkr, Power Lumbar Seat Sws, Motors, G202 (00C/K)
Power Seat Systems Components
Power Seats Circuit Description
AUX Fuse and PWR-ACCY Circuit Breaker
AUX Fuse and PWR-ACCY Circuit Breaker
AUX Fuse and PWR-ACCY Circuit Breaker
Bucket Seats
Right Front Seat
Bucket Seats
G202 (2 of 4)