GM Service Manual Online
For 1990-2009 cars only
Makes
🢒
Chevrolet
🢒
2000
🢒
Chevy C Pickup - 2WD
🢒 Bucket Seats
Bucket Seats
Bucket Seats
Power Seat Systems Components
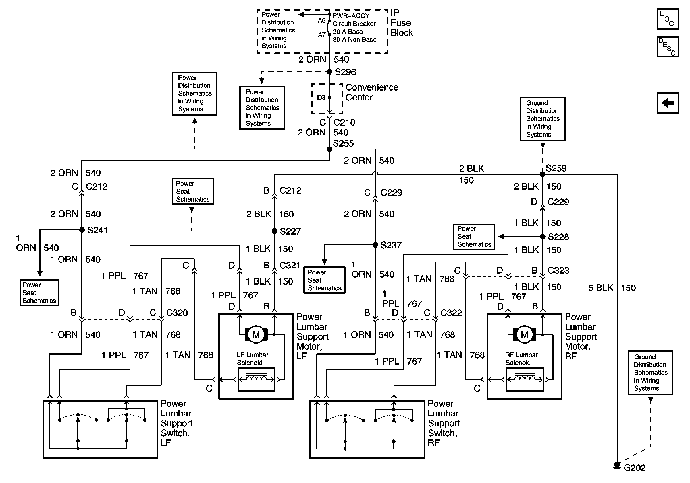
Power Lumbar Circuit Description
Split Bench Seat
AUX Fuse and PWR-ACCY Circuit Breaker
AUX Fuse and PWR-ACCY Circuit Breaker
AUX Fuse and PWR-ACCY Circuit Breaker
G202 (1 of 4)
G202 (1 of 4)
ell 141: PWR-ACCY Circ Brkr, Power Lumbar Seat Sws, Motors, G202 (00C/K)
ell 141: PWR-ACCY Circ Brkr, Power Lumbar Seat Sws, Motors, G202 (00C/K)
ell 141: PWR-ACCY Circ Brkr, Power Lumbar Seat Sws, Motors, G202 (00C/K)
ell 141: PWR-ACCY Circ Brkr, Power Lumbar Seat Sws, Motors, G202 (00C/K)