GM Service Manual Online
For 1990-2009 cars only
Makes
🢒
Chevrolet
🢒
2000
🢒
Chevy C Pickup - 2WD
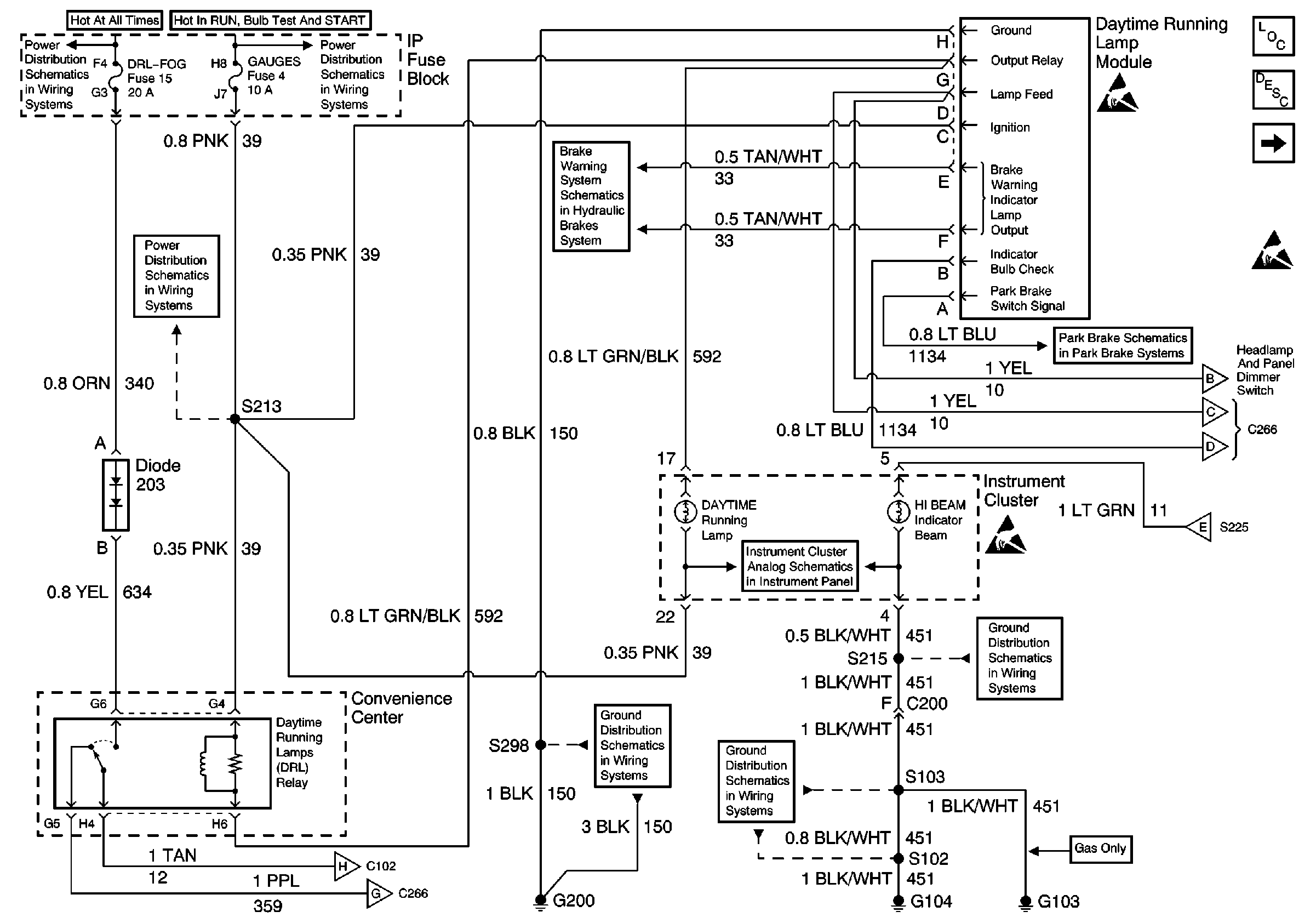
🢒 DRL Module, DRL Relay
DRL Module, DRL Relay
DRL Module, DRL Relay
Lighting Systems Components
Headlights/Daytime Running Lights (DRL) Circuit Description
Headlamp and Panel Dimmer Switch, Headlamp Dimmer Switch
Handling Electrostatic Discharge Sensitive Parts Notice
Handling Electrostatic Discharge Sensitive Parts Notice
Fuse, DRL Module, Park Brake Switch, I/C
Headlamp and Panel Dimmer Switch, Headlamp Dimmer Switch
Headlamp and Panel Dimmer Switch, Headlamp Dimmer Switch
Headlamp and Panel Dimmer Switch, Headlamp Dimmer Switch
Headlamp and Panel Dimmer Switch, Headlamp Dimmer Switch
Handling Electrostatic Discharge Sensitive Parts Notice
G103 and G104
STOP/HAZ, RADIO BATT, and AUX PWR Fuses
GAUGES Fuse
GAUGES Fuse
Brake Warning Lamp Control (all except 15000lb GVW)
Indicator Lamps
G103 and G104
G200 (4 of 4)
Headlamp and Panel Dimmer Switch, Headlamp Dimmer Switch
Headlamp and Panel Dimmer Switch, Headlamp Dimmer Switch