GM Service Manual Online
For 1990-2009 cars only
Makes
🢒
Chevrolet
🢒
2000
🢒
Chevy C Pickup - 2WD
🢒 Indicator Lamps
Indicator Lamps
Indicator Lamps
Instrument Cluster Components
Instrument Cluster Circuit Description
Indicator Lamps (Diesel Only)
Gauges
PK LPS Fuse 9, ILLUM Fuse 14, Headlamp and Panel Dimmer Switch (2 of2)
Cell 76
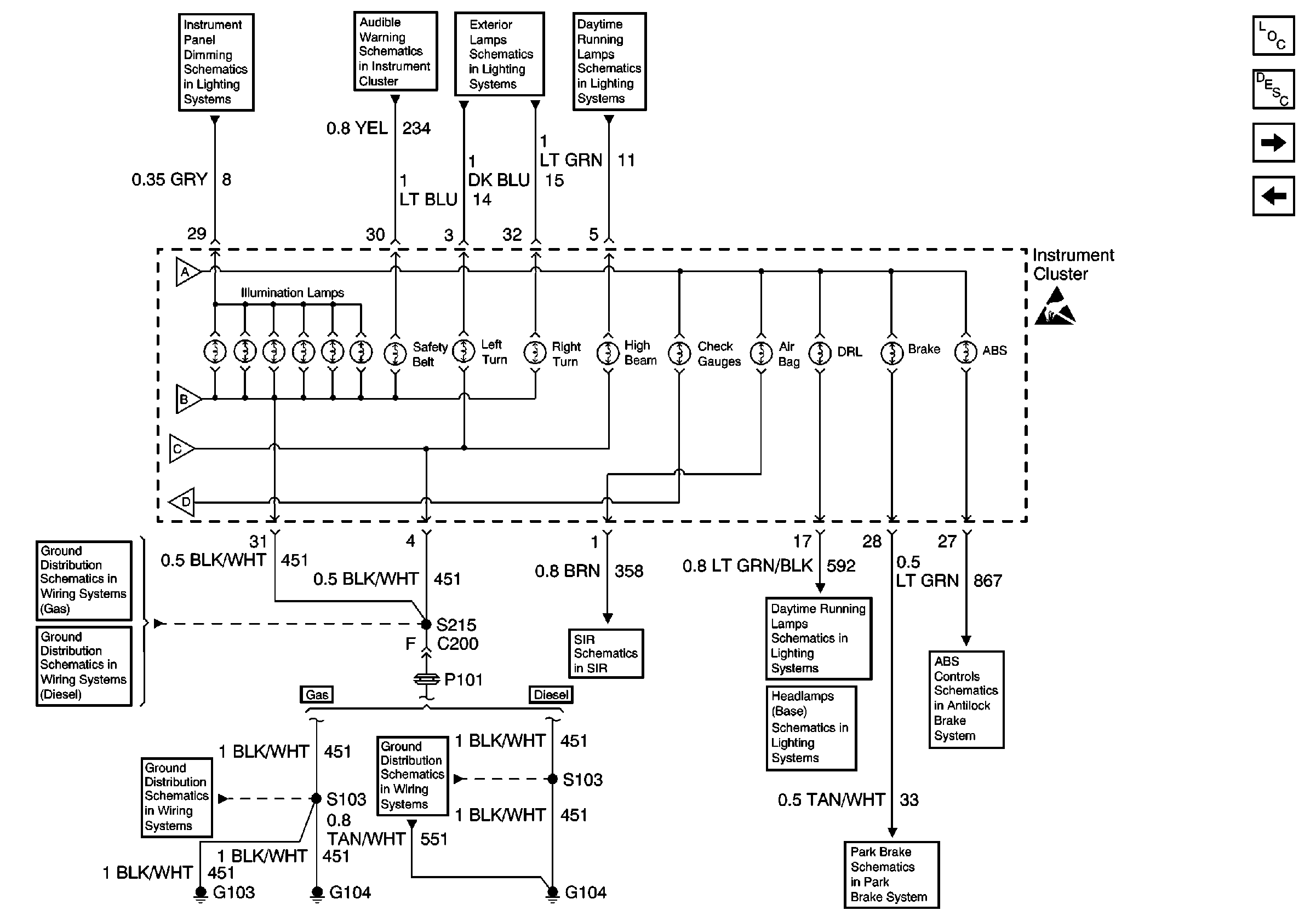
Instrument Cluster, G103 and G104
Quad Headlamps, Base Headlamps
Indicator Control and Wheel Speed Sensors
Gauges
Gauges
G103 and G104
G104 Diesel
G103 and G104
G103 and G104
Power, GND and DLC
DRL Module, DRL Relay, Headlamps
Quad Headlamps, Base Headlamps
Fuse, DRL Module, Park Brake Switch, I/C
Gauges
Gauges
Handling ESD Sensitive Parts Notice