GM Service Manual Online
For 1990-2009 cars only
Makes
🢒
Chevrolet
🢒
2000
🢒
Chevy C Pickup - 2WD
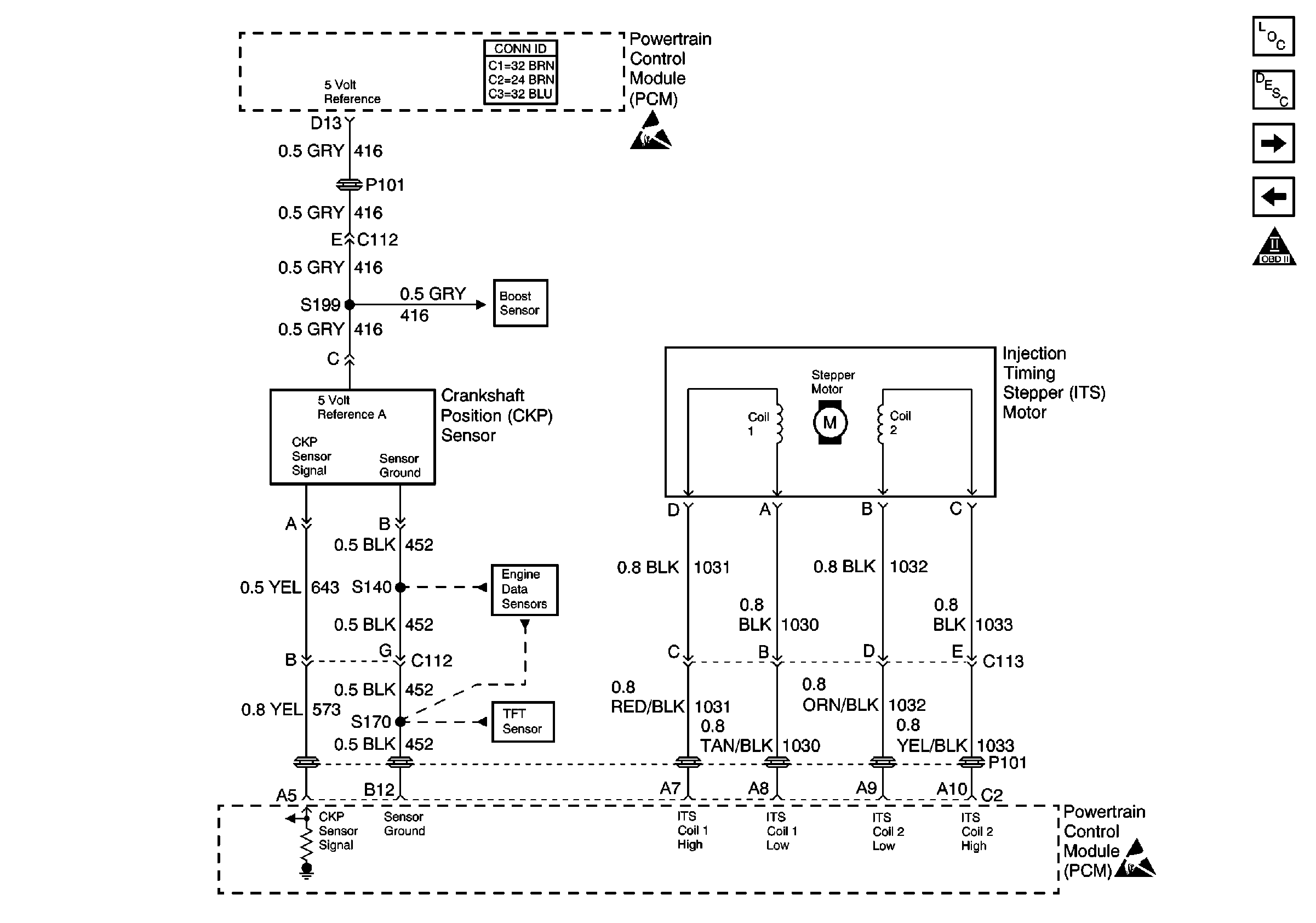
🢒 CKP and Injector Timer/Stepper Motor
CKP and Injector Timer/Stepper Motor
CKP and Injector Timer/Stepper Motor
Engine Controls Components
Fuel System Description
Fuel Pump Control-Single Tank
Glow Plug Controls
OBD II Symbol Description Notice
Engine Data Sensors-ECT, IAT, and Boost (BARO) Sensor
Engine Data Sensors-ECT, IAT, and Boost (BARO) Sensor
A/T Internal Switches, TFT, PC Solenoid, and TISS
Handling ESD Sensitive Parts Notice
Handling ESD Sensitive Parts Notice