GM Service Manual Online
For 1990-2009 cars only
Makes
🢒
Chevrolet
🢒
2000
🢒
Chevy C Pickup - 2WD
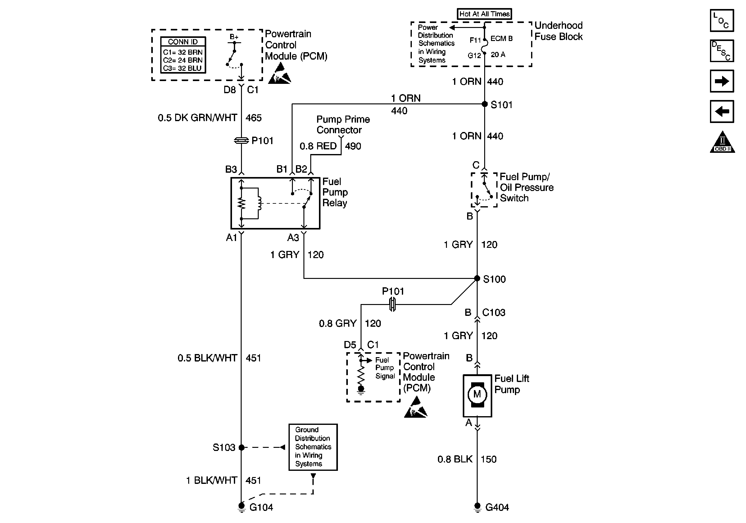
🢒 Fuel Pump Control-Single Tank
Fuel Pump Control-Single Tank
Fuel Pump Control-Single Tank
Engine Controls Components
Fuel Supply Component Description
Fuel Pump Controls - Dual Tanks
CKP and Injector Timer/Stepper Motor
OBD II Symbol Description Notice
Battery, and Underhood Fuse Block
G104 Diesel
Handling ESD Sensitive Parts Notice
Handling ESD Sensitive Parts Notice