GM Service Manual Online
For 1990-2009 cars only
Makes
🢒
Chevrolet
🢒
2000
🢒
Chevy C Pickup - 2WD
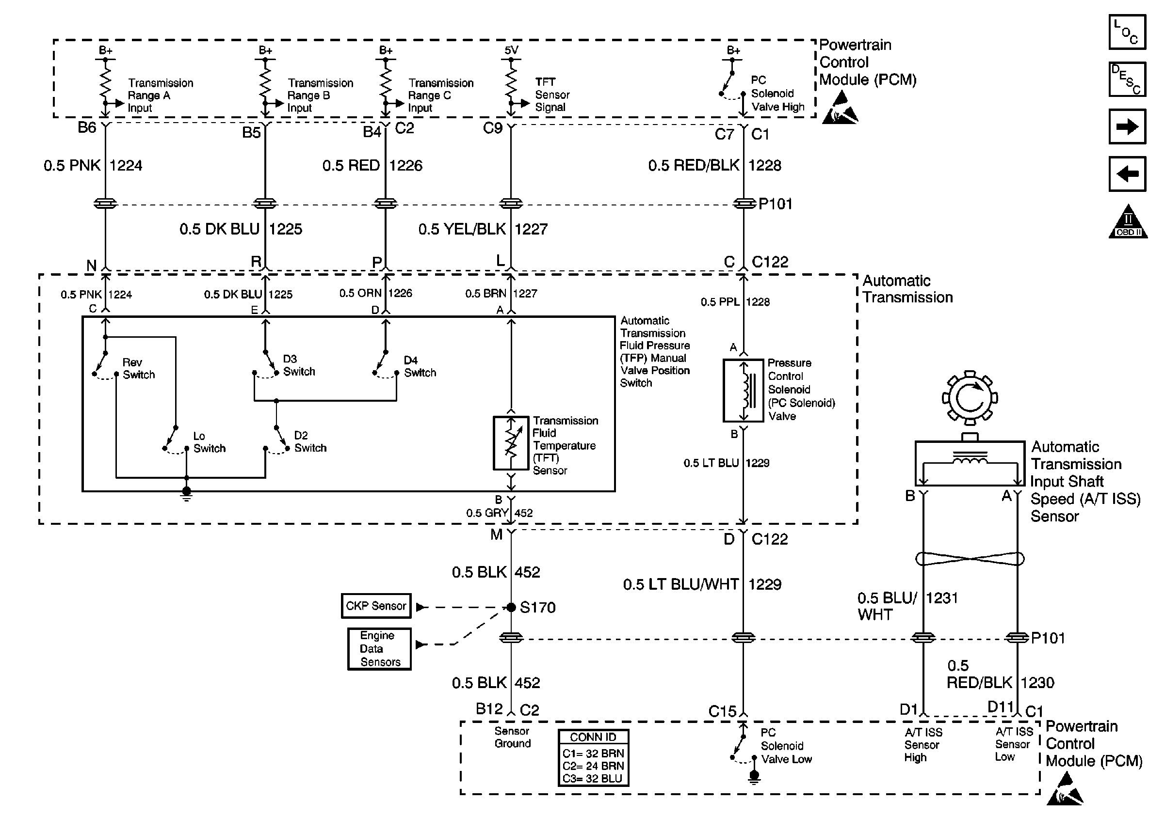
🢒 A/T Internal Switches, TFT, PC Solenoid, and TISS
A/T Internal Switches, TFT, PC Solenoid, and TISS
A/T Internal Switches, TFT, PC Solenoid, and TISS
Engine Controls Components
Electronic Component Description
A/C Compressor Controls
Transmission Solenoids, TCC/Stoplamps Switch
OBD II Symbol Description Notice
CKP and Injector Timer/Stepper Motor
Engine Data Sensors-ECT, IAT, and Boost (BARO) Sensor
Handling ESD Sensitive Parts Notice
Handling ESD Sensitive Parts Notice