GM Service Manual Online
For 1990-2009 cars only
Makes
🢒
Chevrolet
🢒
2000
🢒
Chevy C Pickup - 2WD
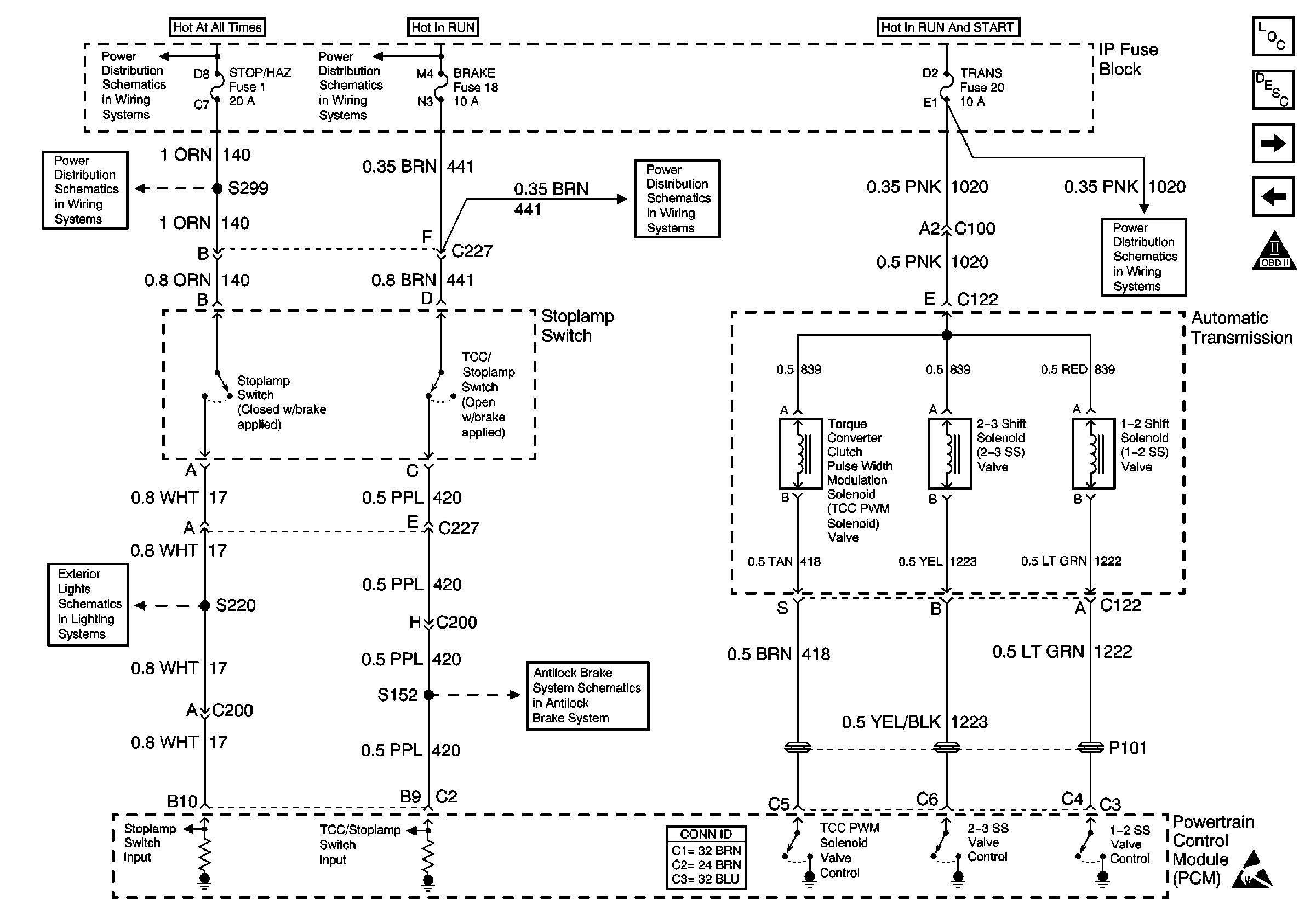
🢒 Transmission Solenoids, TCC/Stoplamps Switch
Transmission Solenoids, TCC/Stoplamps Switch
Transmission Solenoids, TCC/Stoplamps Switch
Engine Controls Components
Electronic Component Description
A/T Internal Switches, TFT, PC Solenoid, and TISS
Accelerator Pedal Position Sensor, Cruise Switch Input, Stoplamp and Clutch Pedal Switches
OBD II Symbol Description Notice
LIGHTING and BATTERY Fuses
IGN B Fuse and Ignition Switch
BRAKE and HTR-A/C Fuses
AIR BAG, TURN B/U, CRANK, and TRANS Fuses
STOP/HAZ Fuse 1, Turn/Hazard Switch, Turn/Hazard Flasher
VSS, TCC Signal and Brake Indicator (Diesel)
STOP/HAZ, RADIO BATT, and AUX PWR Fuses
IGN A Fuse and Ignition Switch
Handling ESD Sensitive Parts Notice