GM Service Manual Online
For 1990-2009 cars only
Makes
🢒
Chevrolet
🢒
2000
🢒
Chevy C Pickup - 2WD
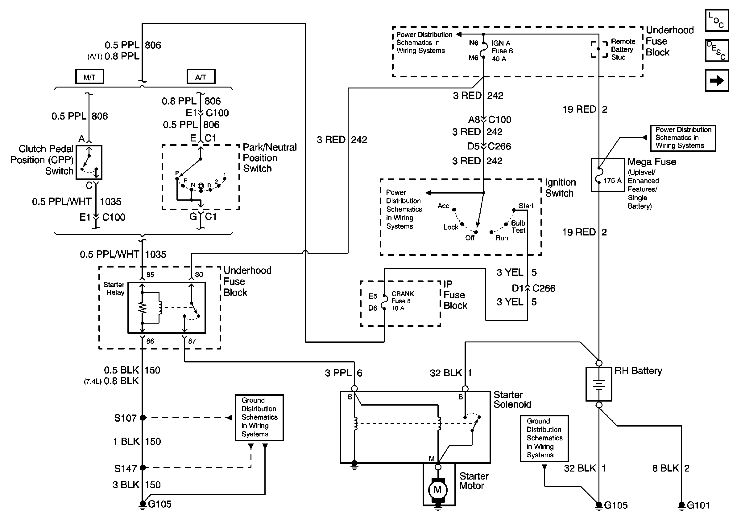
🢒 Starter Controls (Gas)
Starter Controls (Gas)
Starter Controls (Gas)
IGN A Fuse and Ignition Switch
Engine Electrical Components
Starting System Circuit Description
Starter Controls (Diesel)
Battery, and Underhood Fuse Block
IGN B Fuse and Ignition Switch
G105 (1 of 2)
G105 (1 of 2)