GM Service Manual Online
For 1990-2009 cars only

DTC P0380 Glow Plug Feedback Circuit Federal

Refer to Engine Controls Schematics

Glow Plug Controls


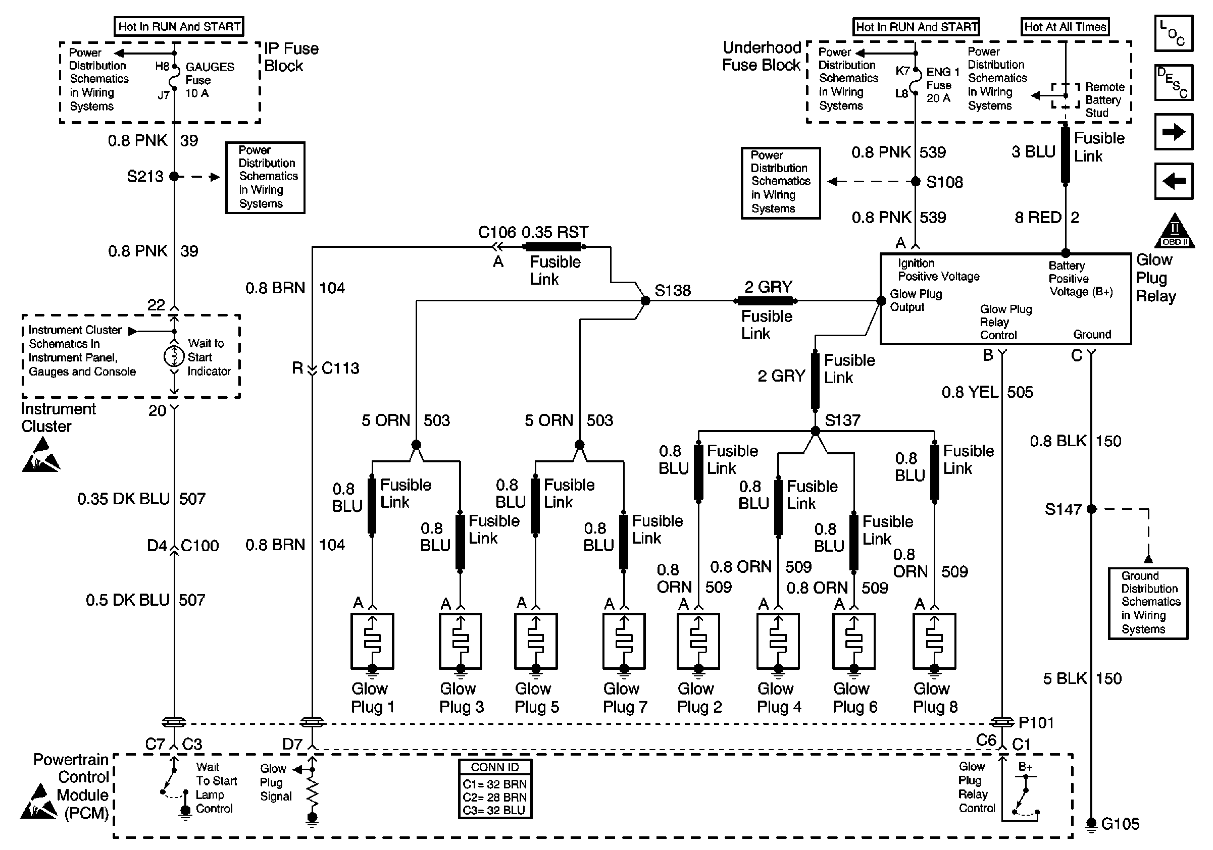
Object Number: 552239  Size: FS
Engine Controls Components
Glow Plug System Description
CKP and Injector Timer/Stepper Motor
PCM Power, Grounding, MIL and DLC
OBD II Symbol Description Notice
GAUGES Fuse
ENG 1 and ECM 1 Fuses (Diesel)
IGN A Fuse and Ignition Switch
IGN A Fuse and Ignition Switch
Battery, and Underhood Fuse Block
Handling ESD Sensitive Parts Notice
Handling ESD Sensitive Parts Notice
G105 (1 of 2)
.

Circuit Description

The glow plug system is used to assist in providing the heat required to begin combustion during cold engine temperatures. The glow plugs are heated before and during cranking, as well as initial engine operation. The PCM controls the glow plug ON times by monitoring coolant temperature and glow plug voltage.

Conditions for Running the DTC

The ignition switch in the ON position.

Conditions for Setting the DTC

    • The PCM has commanded glow plugs ON and the glow plug signal voltage is less than 4.0 volts.
        or
    • The PCM has commanded glow plugs OFF and the glow plug signal voltage is greater than 4.0 volts.
        or
    • When the PCM has commanded the glow plugs ON and there is more than a 2 volt difference between glow plug voltage and ignition voltage.

Action Taken When the DTC Sets

    • The PCM illuminates the malfunction indicator lamp (MIL) on the second consecutive drive trip that the diagnostic runs and fails.
    • The PCM records the operating conditions at the time the diagnostic fails. The first time the diagnostic fails, the Failure Records will store this information. If the diagnostic reports a failure on the second consecutive drive trip, the Freeze Frame records the operating conditions at the time of failure and updates the Failure Records.

Conditions for Clearing the MIL/DTC

    • The PCM will turn the MIL off after three consecutive trips without a fault condition.
    • A History DTC clears after forty consecutive warm-up cycles, if this or any other emission related diagnostic does not report any failures.
    • The use of a scan tool.

Diagnostic Aids

If the glow plug relay is stuck in the ON position, check for proper operation of the glow plugs, refer to Glow Plug System Check . When glow plugs are commanded ON by the scan tool, an internal PCM timer protects the glow plugs from damage by cycling them ON for 3 seconds and then OFF for 12 seconds.

The glow plug output feed wire nut and battery feed wire nut at the relay should be checked for proper torque (5 N·m 44 lb in) and for corrosion.

An intermittent may be caused by the following:

    • Poor connections
    • Rubbed through wire insulation
    • Broken wire inside the insulation

Test Description

The numbers below refer to the step numbers on the diagnostic table:

  1. This step will determine if P0380 is a hard failure.

  2. This step will determine if the PCM is requesting the glow plug system ON.

  3. This step will determine if the glow plug relay has been activated and the output voltage has been seen by the PCM.

Step

Action

Values

Yes

No

1

Important: Before clearing any DTCs, use the scan tool Capture Info to save freeze frame and failure records for reference, as the scan tool loses data when using the Clear Info function.

Was the Powertrain On-Board Diagnostic (OBD) System Check performed?

--

Go to Step 2

Go to Powertrain On Board Diagnostic (OBD) System Check

2

  1. Connect a scan tool.
  2. Turn the ignition ON leaving the engine OFF.
  3. Use the scan tool in order to command the glow plugs ON.
  4. Observe the Glow Plug System on the scan tool display.

Does the scan tool display the Glow Plug System as enabled?

--

Go to Step 3

Go to Step 8

3

  1. Turn the ignition ON with the engine OFF.
  2. Use the scan tool in order to command the glow plugs ON.
  3. Observe the Glow Plugs display on the scan tool.

Does the scan tool display the Glow Plugs at the specified value?

B+

Go to Step 4

Go to Step 6

4

Does the scan tool display Glow Plug voltage present all the time?

--

Go to Step 17

Go to Step 5

5

The DTC is intermittent. If no additional DTCs are stored, refer to Diagnostic Aids If any additional DTCs were stored, refer to those tables.

Were there any additional DTCs stored?

--

Go to Applicable DTC Table

Go to Diagnostic Aids

6

  1. Disconnect the glow plug relay connector.
  2. Turn the ignition ON with the engine OFF.
  3. With the test lamp connected to ground, probe the glow plug relay harness ignition feed circuit.

Is the test lamp ON?

--

Go to Step 7

Go to Step 11

7

  1. Turn the ignition ON with the engine OFF.
  2. Connect the test lamp between the glow plug harness ignition feed circuit and the harness ground circuit.

Is the test lamp ON?

--

Go to Step 8

Go to Step 12

8

  1. Turn the ignition ON with the engine OFF.
  2. Verify that the glow plug harness is still disconnected.
  3. With a J 39200 connected to ground, probe the glow plug relay control circuit at the glow plug harness connector.
  4. Use a scan tool in order to command the glow plugs ON.

Is the voltage at the specified value?

B+

Go to Step 9

Go to Step 13

9

  1. Turn the ignition ON with the engine OFF.
  2. With the test lamp connected to ground, probe the battery positive feed circuit side of the relay.

Is the test lamp ON?

Go to Step 10

Go to Step 20

10

  1. Reconnect the glow plug relay.
  2. Turn the ignition ON with the engine OFF.
  3. With a test lamp connected to ground, probe the glow plug side of the relay.
  4. Use a scan tool in order to command the glow plugs ON.

Is the test lamp ON when the scan tool commands the glow plugs ON?

--

Go to Step 15

Go to Step 19

11

Repair an open or a short to ground in glow plug relay ignition feed circuit.

Is the action complete?

--

Go to Step 22

--

12

Repair any open or poor connections in the glow plug relay ground circuit.

Is the action complete?

--

Go to Step 22

--

13

  1. Check the glow plug relay control circuit for an open or short to ground.
  2. If the glow plug relay control circuit is open or shorted to ground, repair as necessary.

Was a problem found?

--

Go to Step 22

Go to Step 14

14

Check the glow plug relay control circuit for a proper connection at the PCM and replace the terminal if necessary.

Was a problem found?

--

Go to Step 22

Go to Step 21

15

  1. Check the glow plug relay signal control circuit for an open or short to ground.
  2. If the glow plug relay signal circuit is open or shorted to ground, repair as necessary.

Was a problem found?

--

Go to Step 22

Go to Step 16

16

Check the glow plug relay signal circuit for a proper connection at the PCM and replace the terminal if necessary.

Was a problem found?

--

Go to Step 22

Go to Step 21

17

  1. Disconnect the glow plug relay connector.
  2. Turn the ignition ON leaving the engine OFF.
  3. Probe the glow plug relay control circuit with a test lamp connected to ground.

Is the test lamp ON all the time?

--

Go to Step 18

Go to Step 19

18

Repair the short to voltage on the glow plug relay control circuit.

Is the action complete?

--

Go to Step 22

--

19

Replace the glow plug relay. Refer to Glow Plug Relay Replacement .

Is the action complete?

--

Go to Step 22

--

20

Repair an open or a short to ground in the battery positive feed circuit. Refer to Wiring Repairs in Wiring Systems.

Is the action complete?

--

Go to Step 22

--

21

Important: The new PCM must be programmed. Refer to Powertrain Control Module Replacement/Programming .

Replace the PCM.

Is the action complete?

--

Go to Step 22

--

22

  1. Using the scan tool, clear the DTCs.
  2. Start the engine and idle at normal operating temperature.
  3. Select DTC, Specific, then enter the DTC number which was set.
  4. Operate the vehicle, within the Conditions for Setting this DTC, until the scan tool indicates the diagnostic Ran.

Does the scan tool indicate the diagnostic Passed?

--

Go to Step 23

Go to Step 2

23

Does the scan tool display any additional undiagnosed DTCs?

--

Go to Applicable DTC Table

System OK