GM Service Manual Online
For 1990-2009 cars only
Makes
🢒
Chevrolet
🢒
2000
🢒
Chevy C Silverado - 2WD
🢒
Body and Accessories
🢒
Cruise Control
🢒 Cruise Control Schematics
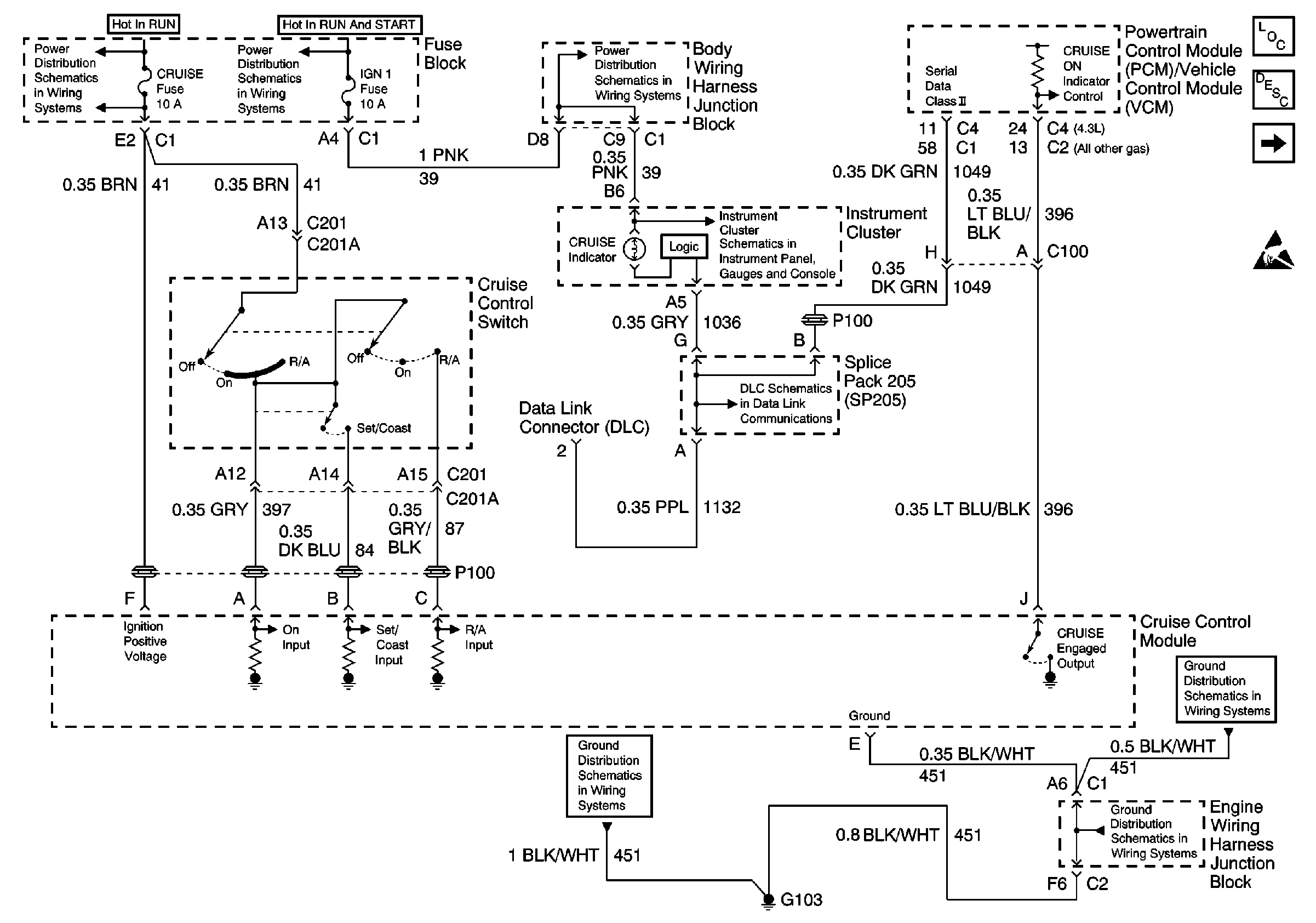
Figure
1:
Cruise Control Module and Switch
Cruise Control Components
Cruise Control System Circuit Description
Cruise Control Module, TCC/Stoplamp Switch and Clutch Pedal POsItion Switch
Handling ESD Sensitive Parts Notice
Instrument Cluster: Analog Schematics
Data Link Connector Schematics
Power Distribution Schematics
Power Distribution Schematics
Power Distribution Schematics
Ground Distribution Schematics
Ground Distribution Schematics
Ground Distribution Schematics
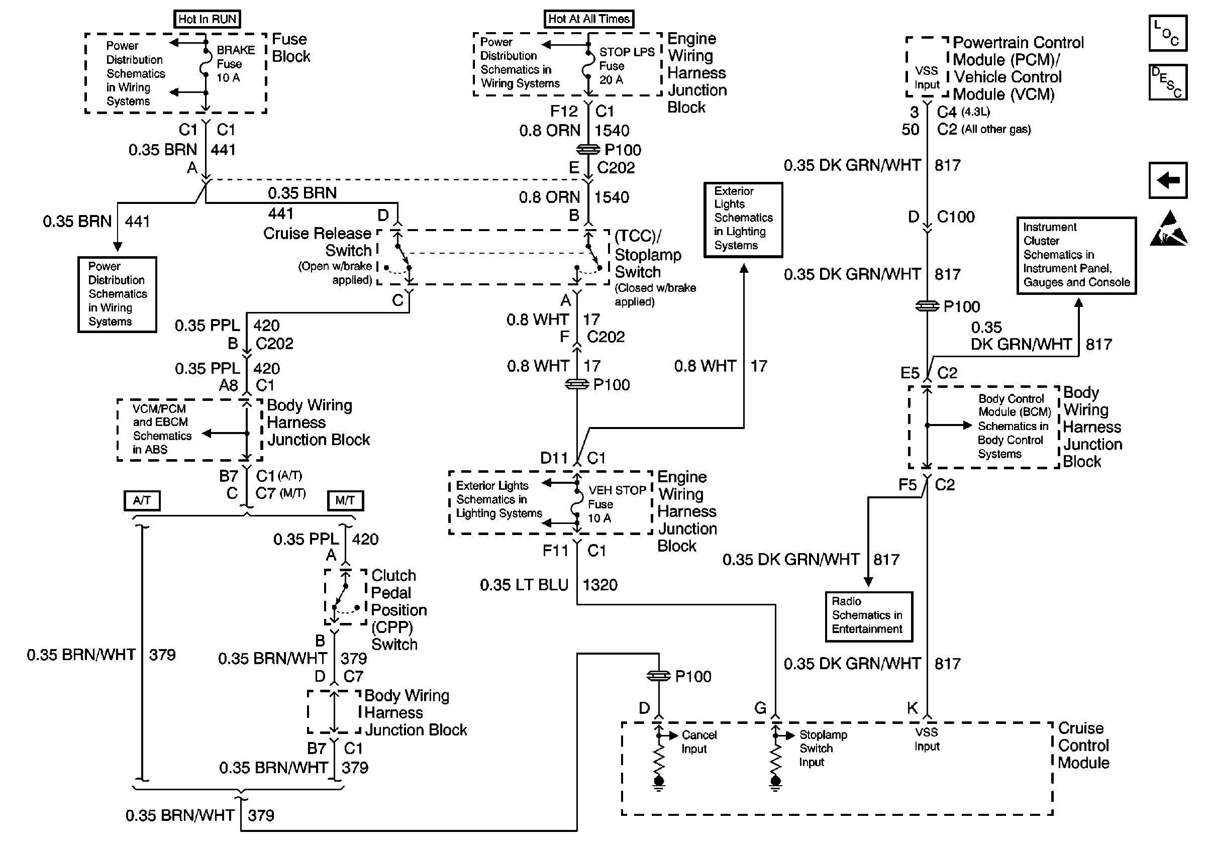
Figure
2:
Cruise Control Module, TCC/Stoplamp Switch and Clutch Pedal Position Switch
Cruise Control Components
Cruise Control System Circuit Description
Cruise Control Module and Switch
Handling ESD Sensitive Parts Notice
Instrument Cluster: Analog Schematics
Body Control System Schematics
Radio/Audio System Schematics Base Pickup
Exterior Lights Schematics
Exterior Lights Schematics
Antilock Brake System Schematics ABS
Power Distribution Schematics
Power Distribution Schematics
Power Distribution Schematics