GM Service Manual Online
For 1990-2009 cars only
Makes
🢒
Chevrolet
🢒
2000
🢒
Chevy C Silverado - 2WD
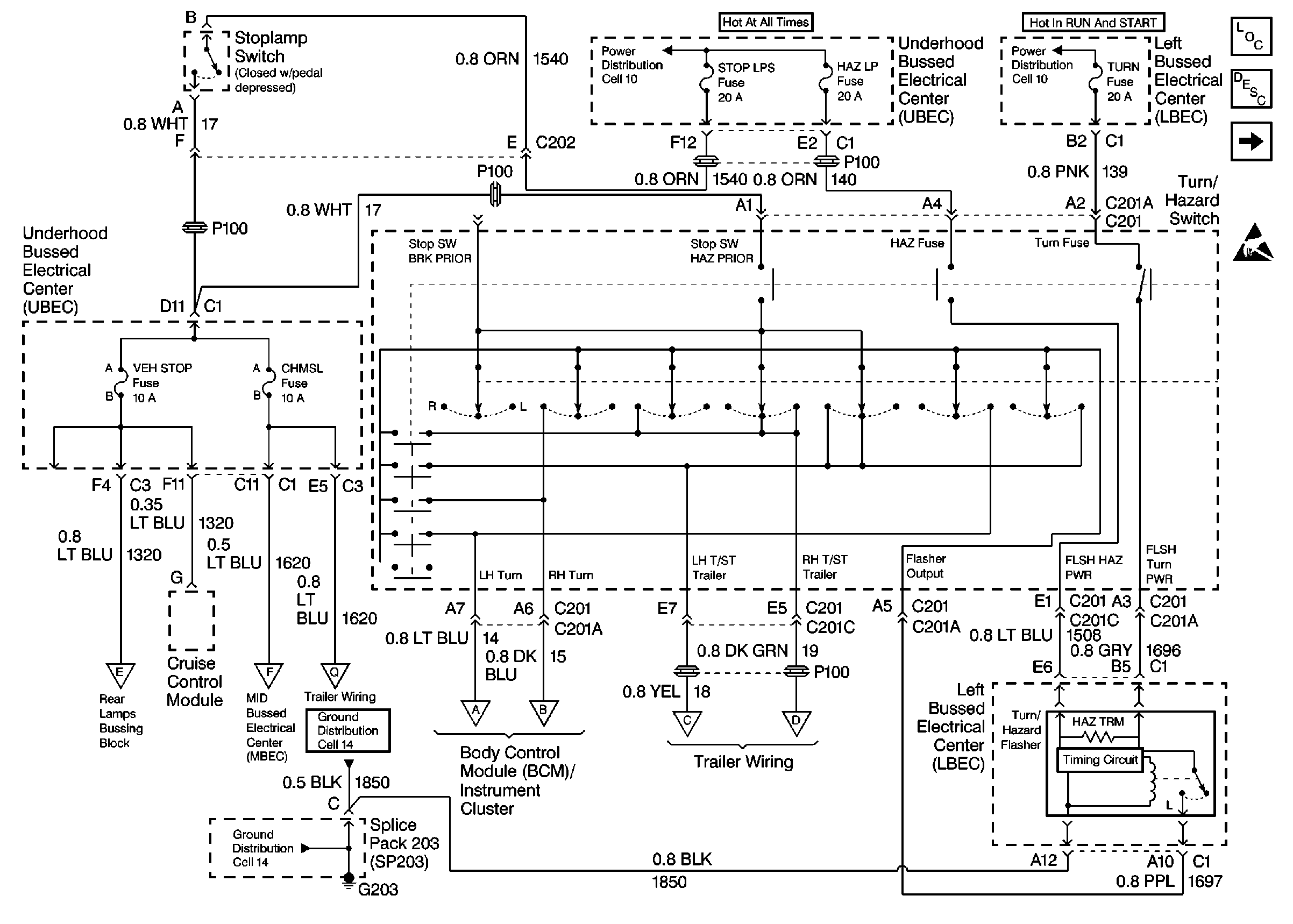
🢒 Cell 110: Stop Lamp Switch and Turn/Hazard Switch/Flasher
Cell 110: Stop Lamp Switch and Turn/Hazard Switch/Flasher
Cell 110: Stop Lamp Switch and Turn/Hazard Switch/Flasher
Lighting Systems Components
Exterior Lights Circuit Description
Cell 110: Turn Lamps
Handling ESD Sensitive Parts Notice
Cell 10: Underhood Bussed Electrical Center, Automatic Transfer Case
Cell 10: Underhood Bussed Electrical Center, Electronic Brake Control ModuLe
Cell 110: Rear Lamps and CHMSL/Cargo Lamps
Cell 110: Rear Lamps and CHMSL/Cargo Lamps
Cell 110: Trailer Wiring (Heavy Duty)
Cell 14: Full Feature Seat Heated/Memory Seat Switch, Light Bar Switch
Cell 14: Full Feature Seat Heated/Memory Seat Switch, Light Bar Switch
Cell 110: Turn Lamps
Cell 110: Turn Lamps
Cell 110: Trailer Wiring (Light Duty)
Cell 110: Trailer Wiring (Light Duty)