GM Service Manual Online
For 1990-2009 cars only
Makes
🢒
Chevrolet
🢒
2000
🢒
Chevy C Silverado - 2WD
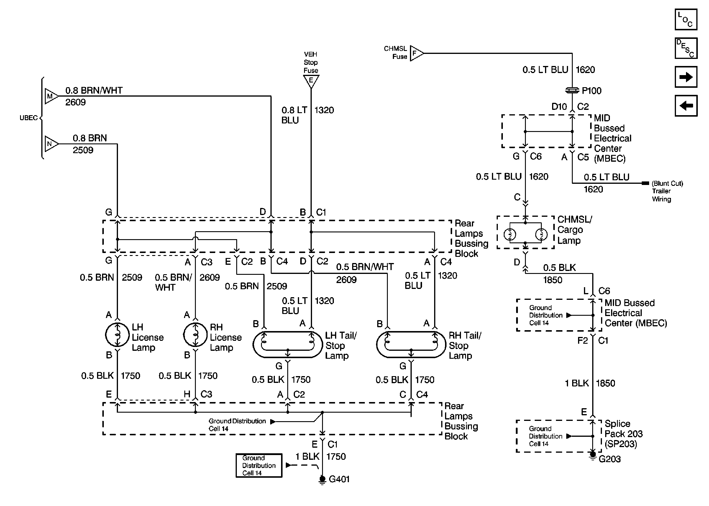
🢒 Cell 110: Rear Lamps and CHMSL/Cargo Lamps
Cell 110: Rear Lamps and CHMSL/Cargo Lamps
Cell 110: Rear Lamps and CHMSL/Cargo Lamps
Lighting Systems Components
Exterior Lights Circuit Description
Cell 110: Roof Beacon Switch
Cell 110: Roof Marker and Clearance Lamps
Cell 110: Park Lamp Control and Front Marker Lamps
Cell 110: Park Lamp Control and Front Marker Lamps
Cell 110: Stop Lamp Switch and Turn/Hazard Switch/Flasher
Cell 110: Stop Lamp Switch and Turn/Hazard Switch/Flasher
Cell 14: Full Feature Seat Heated/Memory Seat Switch, Light Bar Switch
Cell 14: Brake Fluid Level Switch, RH Turn Lamp
Cell 14: Full Feature Seat Heated/Memory Seat Switch, Light Bar Switch