GM Service Manual Online
For 1990-2009 cars only
Makes
🢒
Chevrolet
🢒
2000
🢒
Chevy C Silverado - 2WD
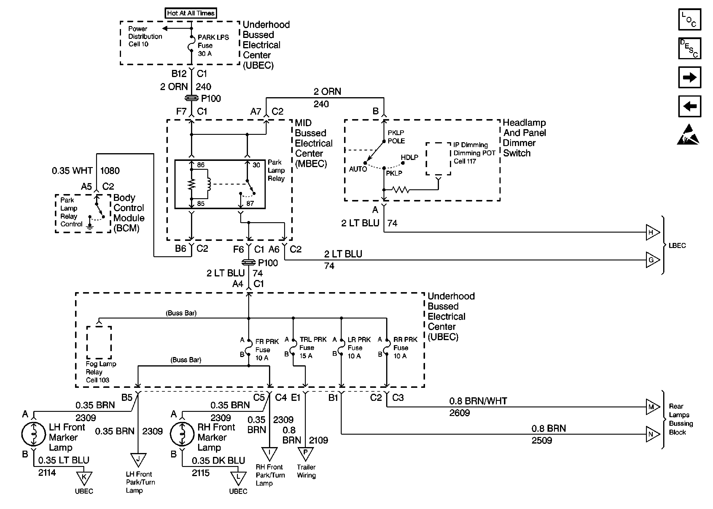
🢒 Cell 110: Park Lamp Control and Front Marker Lamps
Cell 110: Park Lamp Control and Front Marker Lamps
Cell 110: Park Lamp Control and Front Marker Lamps
Lighting Systems Components
Exterior Lights Circuit Description
Cell 110: Roof Marker and Clearance Lamps
Cell 110: Turn Lamps
Handling ESD Sensitive Parts Notice
Cell 10: Underhood Bussed Electrical Center, HVAC Blower Switch
Interior Lights Dimming Schematics
Cell 103
Cell 110: Roof Marker and Clearance Lamps
Cell 110: Roof Marker and Clearance Lamps
Cell 110: Rear Lamps and CHMSL/Cargo Lamps
Cell 110: Rear Lamps and CHMSL/Cargo Lamps
Cell 110: Turn Lamps
Cell 110: Turn Lamps
Cell 110: Turn Lamps
Cell 110: Turn Lamps
Cell 110: Trailer Wiring (Heavy Duty)