GM Service Manual Online
For 1990-2009 cars only
Makes
🢒
Chevrolet
🢒
2000
🢒
Chevy C Silverado - 2WD
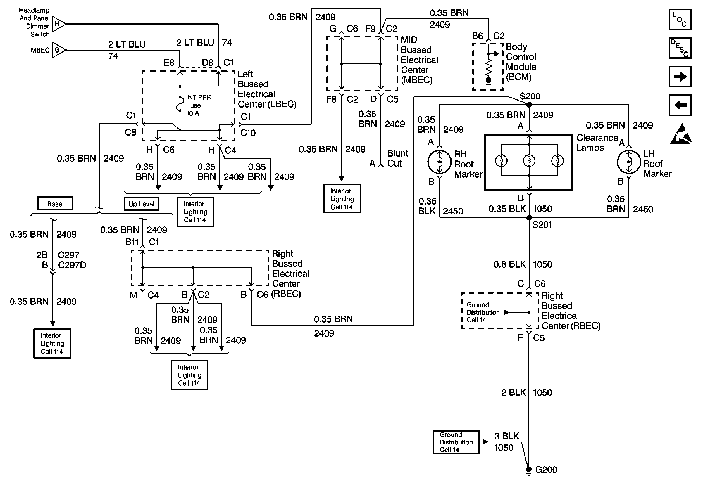
🢒 Cell 110: Roof Marker and Clearance Lamps
Cell 110: Roof Marker and Clearance Lamps
Cell 110: Roof Marker and Clearance Lamps
Lighting Systems Components
Exterior Lights Circuit Description
Cell 110: Rear Lamps and CHMSL/Cargo Lamps
Cell 110: Park Lamp Control and Front Marker Lamps
Handling ESD Sensitive Parts Notice
Cell 110: Park Lamp Control and Front Marker Lamps
Cell 110: Park Lamp Control and Front Marker Lamps
Interior Lights Schematics
Interior Lights Schematics
Interior Lights Schematics
Interior Lights Schematics
Cell 14: Temperature Door Motor, Passenger Heated Seat Switch, Roof Marker Lamps
Cell 14: Temperature Door Motor, Passenger Heated Seat Switch, Roof Marker Lamps