GM Service Manual Online
For 1990-2009 cars only
Makes
🢒
Chevrolet
🢒
2000
🢒
Chevy C Silverado - 2WD
🢒 Cell 20: Serial Data
Cell 20: Serial Data
Cell 20: Serial Data
Engine Controls Components
Vehicle Control Module Description
Cell 20: Fuel Controls
Cell 20: CMP Sensor, CKP Sensor, Tach Signal, Ignition Controls
OBD II Symbol Description Notice
Handling ESD Sensitive Parts Notice
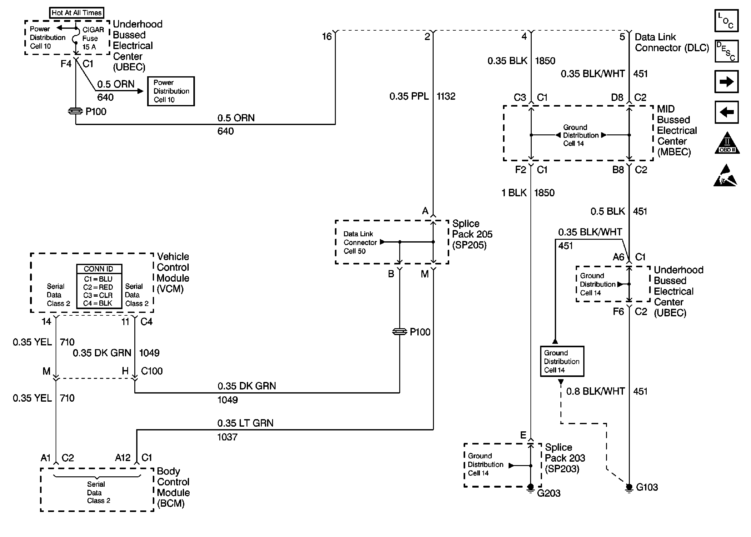
Cell 10: Underhood Bussed Electrical Center, Data Link Connector
Cell 10: Underhood Bussed Electrical Center, Data Link Connector
Cell 50
Cell 14: Vehicle Control Module, S103, G102
Cell 14: Vehicle Control Module, S103, G102
Cell 14: Full Feature Seat Heated/Memory Seat Switch, Light Bar Switch