GM Service Manual Online
For 1990-2009 cars only
Makes
🢒
Chevrolet
🢒
2000
🢒
Chevy C Silverado - 2WD
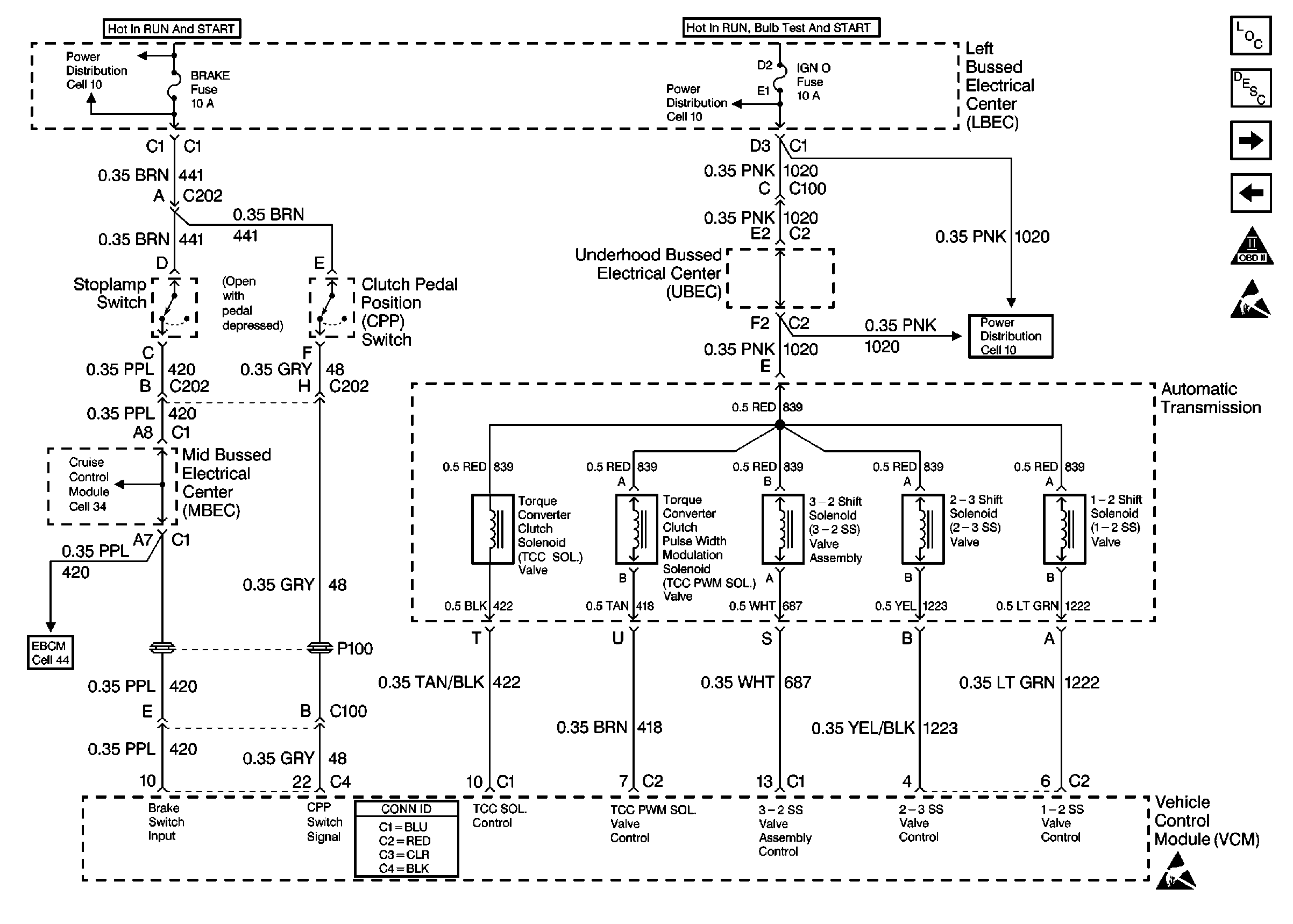
🢒 Cell 20: Stoplamp/CPP Inputs, Transmission Controls
Cell 20: Stoplamp/CPP Inputs, Transmission Controls
Cell 20: Stoplamp/CPP Inputs, Transmission Controls
Engine Controls Components
Vehicle Control Module Description
Cell 20: PNP Switch, Tow/Haul Switch
Cell 20: VSS
OBD II Symbol Description Notice
Handling ESD Sensitive Parts Notice
Cell 10: Left Bussed Electrical Center, Electronic Brake Control Module
Cell 10: Underhood Bussed Electrical Center, Electronic Brake Control ModuLe
Cell 10: Underhood Bussed Electrical Center, Electronic Brake Control ModuLe
Cell 34: Left Bussed Electrical Center, Powertrain Control Module
Cell 44: Left Bussed Electrical Center, Splice Pack SP205
Handling ESD Sensitive Parts Notice