GM Service Manual Online
For 1990-2009 cars only
Makes
🢒
Chevrolet
🢒
2000
🢒
Chevy C Silverado - 2WD
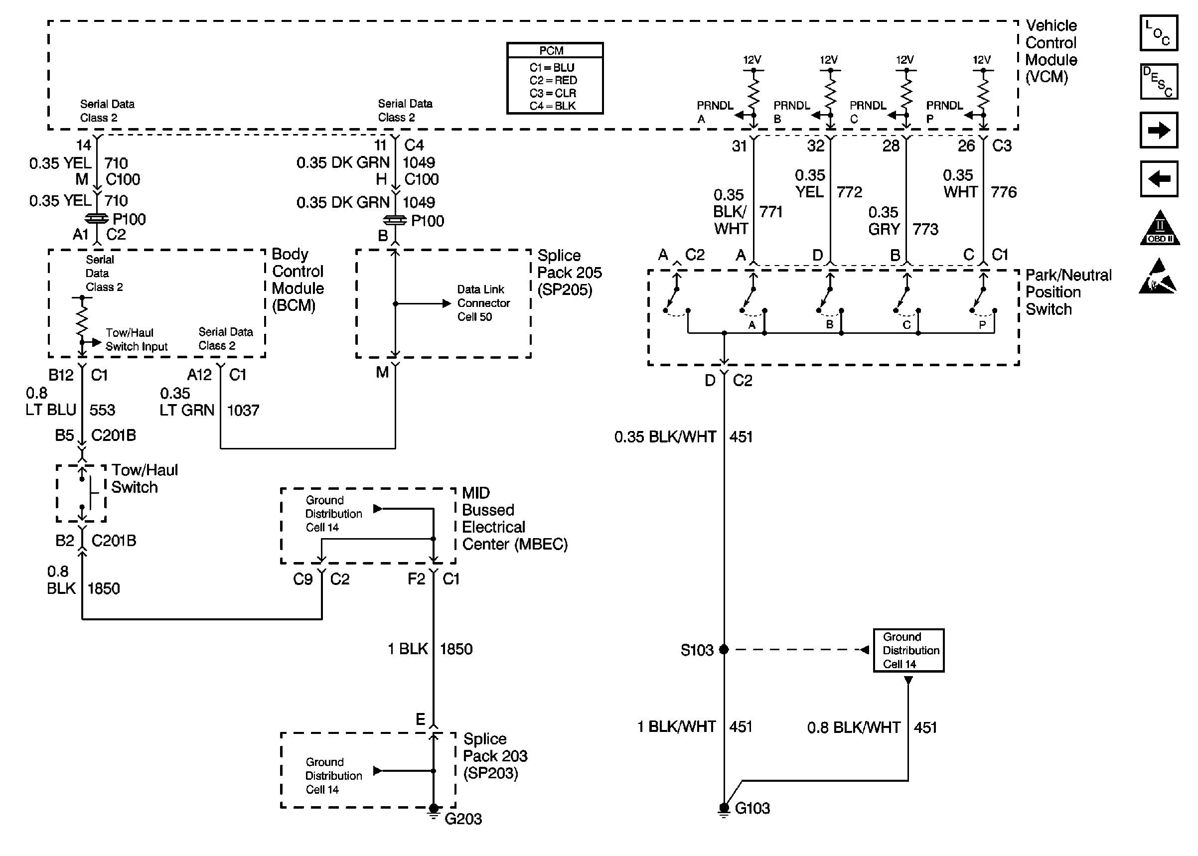
🢒 Cell 20: PNP Switch, Tow/Haul Switch
Cell 20: PNP Switch, Tow/Haul Switch
Cell 20: PNP Switch, Tow/Haul Switch
Engine Controls Components
Vehicle Control Module Description
Cell 20: Transmission Inputs
Cell 20: Stoplamp/CPP Inputs, Transmission Controls
OBD II Symbol Description Notice
Handling ESD Sensitive Parts Notice
Cell 50
Cell 14: Horn Switch, C201C, C207C
Cell 14: Full Feature Seat Heated/Memory Seat Switch, Light Bar Switch
Cell 14: Vehicle Control Module, S103, G102