GM Service Manual Online
For 1990-2009 cars only
Makes
🢒
Chevrolet
🢒
2000
🢒
Chevy C Silverado - 2WD
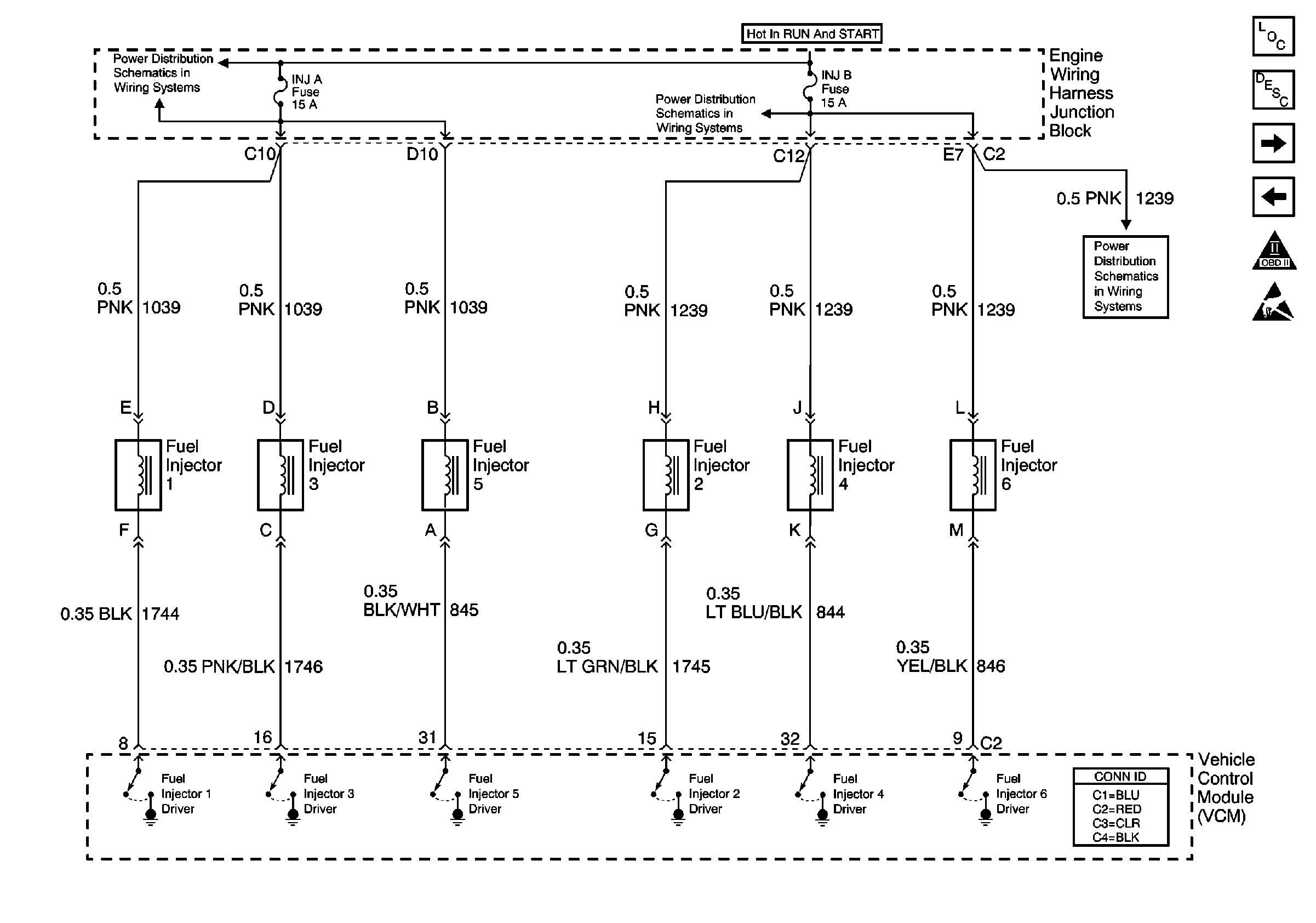
🢒 Fuel Injectors, VCM, INJ A, INJ B Fuses
Fuel Injectors, VCM, INJ A, INJ B Fuses
Fuel Injectors, VCM, INJ A, INJ B Fuses
Power Distribution Schematics
Power Distribution Schematics
Power Distribution Schematics
Engine Controls Components
Evaporative Emission Control System Operation Description Enhanced
FPR, Fuel Pump/Sender, G403, G102, G104
ENG1, INJ B, INJ A Fuses, ICM, CKP, CMP, IPC
OBD II Symbol Description Notice
Handling ESD Sensitive Parts Notice