GM Service Manual Online
For 1990-2009 cars only

Object Number: 581766  Size: LF
Lighting Systems Components
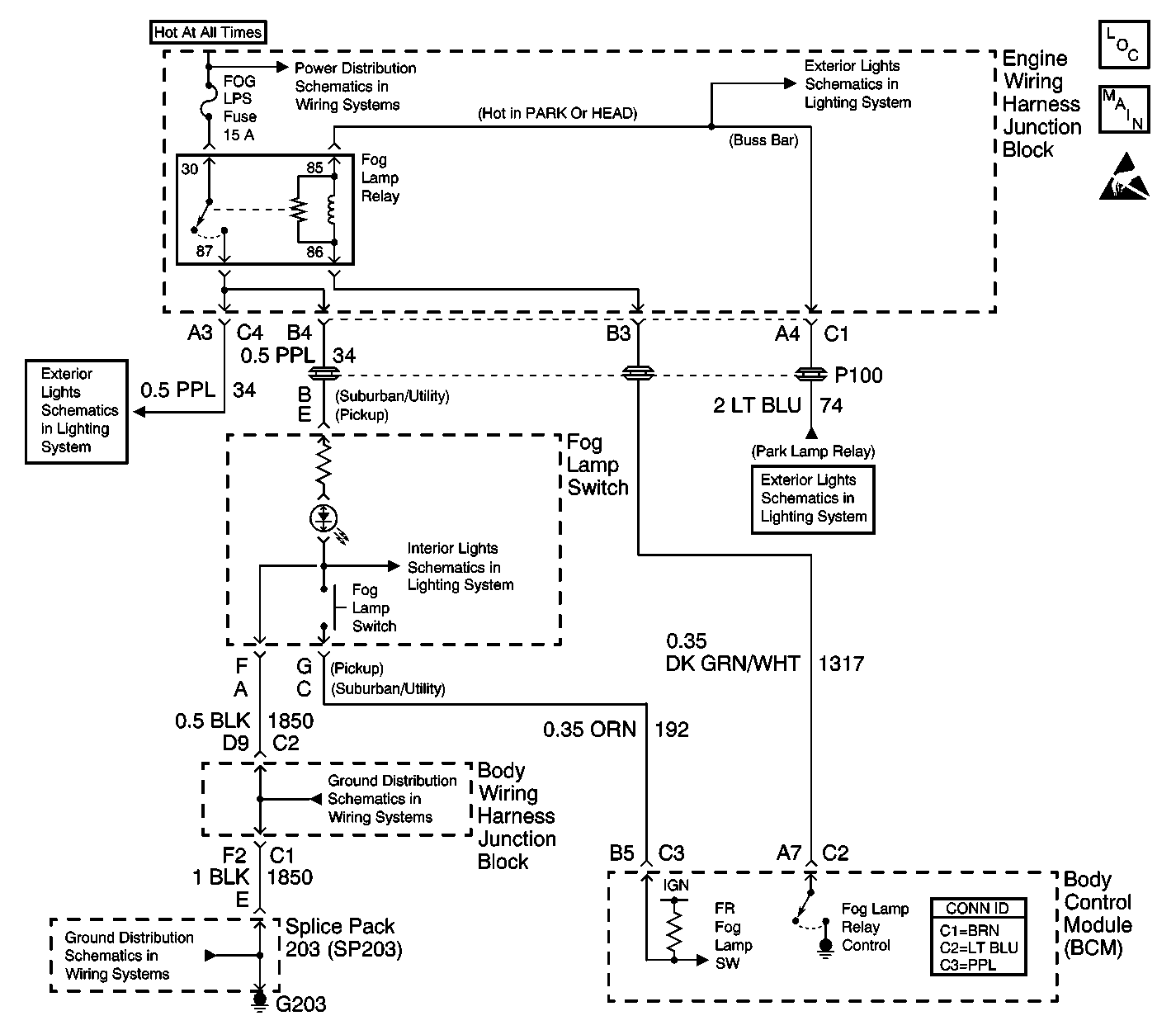
Fog Lights Schematics
Handling ESD Sensitive Parts Notice
Power Distribution Schematics
Exterior Lights Schematics
Exterior Lights Schematics
Exterior Lights Schematics
Interior Lights Schematics Uplevel Pickup
Ground Distribution Schematics
Ground Distribution Schematics

Fog Lamps Circuit Description

The FOG LPS 15 A fuse in the engine wiring harness junction block supplies battery positive voltage to the fog lamp relay switch circuit from the engine wiring harness junction block. The headlamp switch supplies battery positive voltage to the fog lamp relay coil. With the headlamp switch in either the park or headlamp position, and the fog lamp switch pressed, the body control module (BCM) will energize the fog lamp relay control circuit. The current flow is from the fog lamp relay to both front fog lamps and to ground G100.

If the driver selects high beam headlights, a high beam input is sent to the BCM by the dimmer switch. In response to this input the BCM de-energizes the fog lamp relay.

Conditions for Running the DTC

    • The battery voltage between 9.0 and 16.0 volts.
    • The ignition switch in the RUN position.

Conditions for Setting the DTC

When the signal circuit is shorted to ground for approximately 3 minutes.

Action Taken When the DTC Sets

The fog lamps will not operate.

Conditions for Clearing the DTC

    • This DTC will clear the current status after the condition for setting the fault is corrected.
    • A history DTC will clear after 100 consecutive ignition cycles without a fault present.
    • A clear codes message is sent by the scan tool.

Diagnostic Aids

    • Test the fog lamp switch for sticking in the ON position.
    • Perform a visual inspection for loose or poor connections at all related components
    • Refer to Testing for Intermittent Conditions and Poor Connections in Wiring Systems.

Test Description

The number(s) below refer to the step number(s) on the diagnostic table.

  1. OFF is the normal state of the switch before activation.

  2. OFF is the normal state of the switch before activation.

  3. This step tests for a short to ground on the signal circuit.

  4. After replacement of the BCM you must calibrate the new module for proper operation.

Step

Action

Yes

No

1

Did you perform the Lighting System Diagnostic System Check?

Go to Step 2

Go to Diagnostic System Check - Lighting Systems

2

  1. Install a scan tool.
  2. Turn ON the ignition, with the engine OFF.
  3. With a scan tool, observe the Front Fog Lamp Switch parameter in the Body Control Module (BCM) data list.

Does the scan tool display OFF?

Go to Step 3

Go to Step 4

3

  1. Activate the front fog lamp switch.
  2. With the scan tool, observe the Front Fog Lamp Switch parameter.

Does the Front Fog Lamp Switch parameter change state?

Go to Diagnostic Aids

Go to Step 4

4

  1. Turn OFF the ignition.
  2. Disconnect the front fog lamp switch.
  3. Turn ON the ignition, with the engine OFF.
  4. With a scan tool, observe the Front Fog Lamp Switch parameter.

Does the scan tool display OFF?

Go to Step 7

Go to Step 5

5

Test the signal circuit of the front fog lamp switch for a short to ground. Refer to Circuit Testing and Wiring Repairs in Wiring Systems.

Did you find and correct the condition?

Go to Step 10

Go to Step 6

6

Inspect for poor connections at the harness connector of the body control module. Refer to Testing for Intermittent Conditions and Poor Connections and Connector Repairs in Wiring Systems.

Did you find and correct the condition?

Go to Step 10

Go to Step 8

7

Inspect for poor connections at the harness connector of the front fog lamp switch. Refer to Testing for Intermittent Conditions and Poor Connections and Connector Repairs in Wiring Systems.

Did you find and correct the condition?

Go to Step 10

Go to Step 9

8

Important: Perform the setup procedure for the body control module.

Replace the body control module. Refer to Body Control Module Replacement in Body Control System.

Did you complete the replacement?

Go to Step 10

--

9

Replace the front fog lamp switch. Refer to Fog Lamp Switch Replacement .

Did you complete the replacement?

Go to Step 10

--

10

  1. Use the scan tool in order to clear the DTCs.
  2. Operate the vehicle within the Conditions for Running the DTC as specified in the supporting text.

Does the DTC reset?

Go to Step 2

System OK