GM Service Manual Online
For 1990-2009 cars only
Makes
🢒
Chevrolet
🢒
2002
🢒
Chevy C Silverado - 2WD
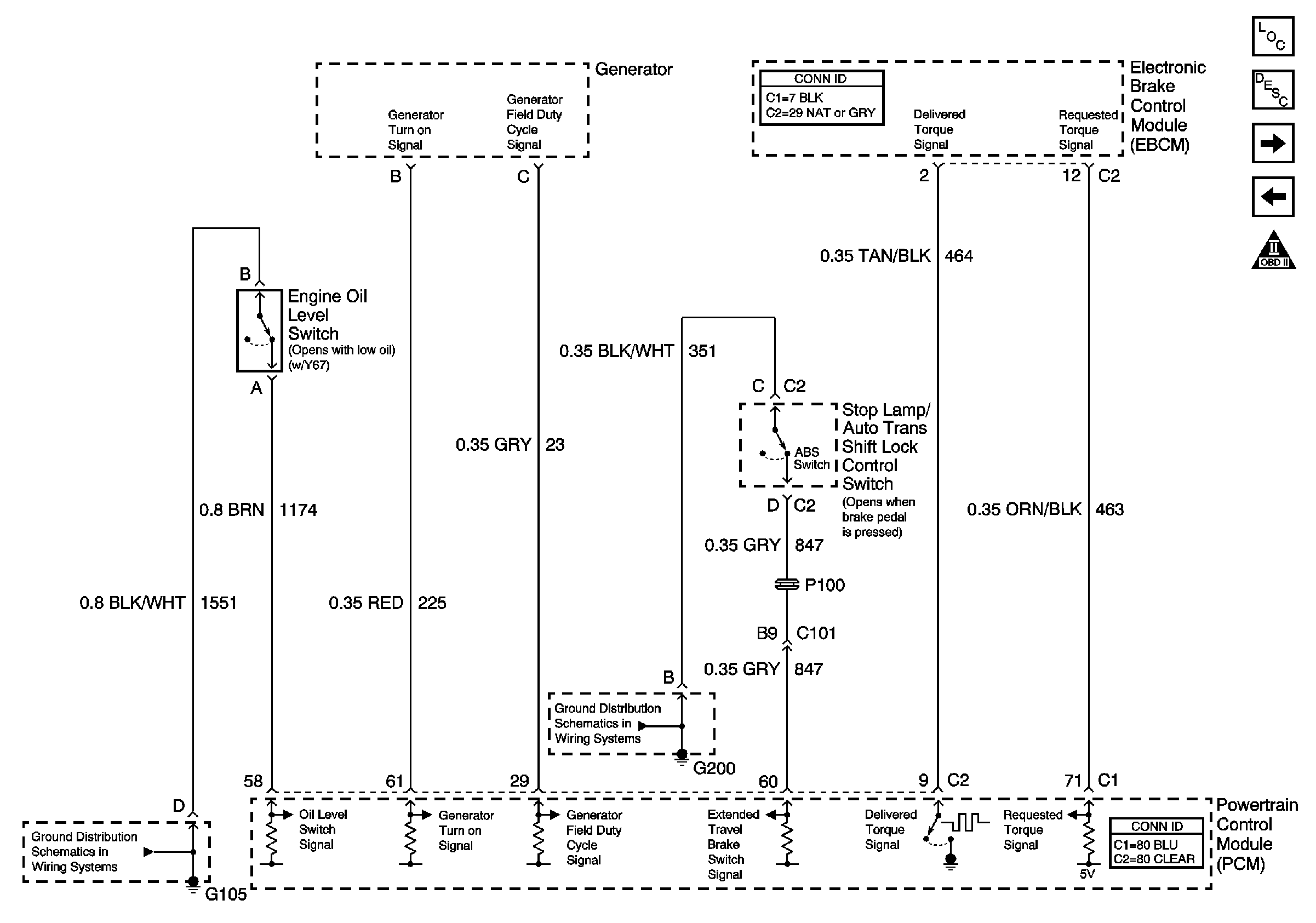
🢒 Generator, EBCM, Oil Level and Automatic Transmission Shift Lock Control Switches
Generator, EBCM, Oil Level and Automatic Transmission Shift Lock Control Switches
Generator, EBCM, Oil Level and Automatic Transmission Shift Lock Control Switches
Master Electrical Component List
Electronic Ignition (EI) System Description
A/C Clutch and Relay
Cruise Control Module and VSS
Diagnostic Starting Point - Automatic Level Control
G200 (1 of 2)
G104 and G105