GM Service Manual Online
For 1990-2009 cars only
Makes
🢒
Chevrolet
🢒
2002
🢒
Chevy C Silverado - 2WD
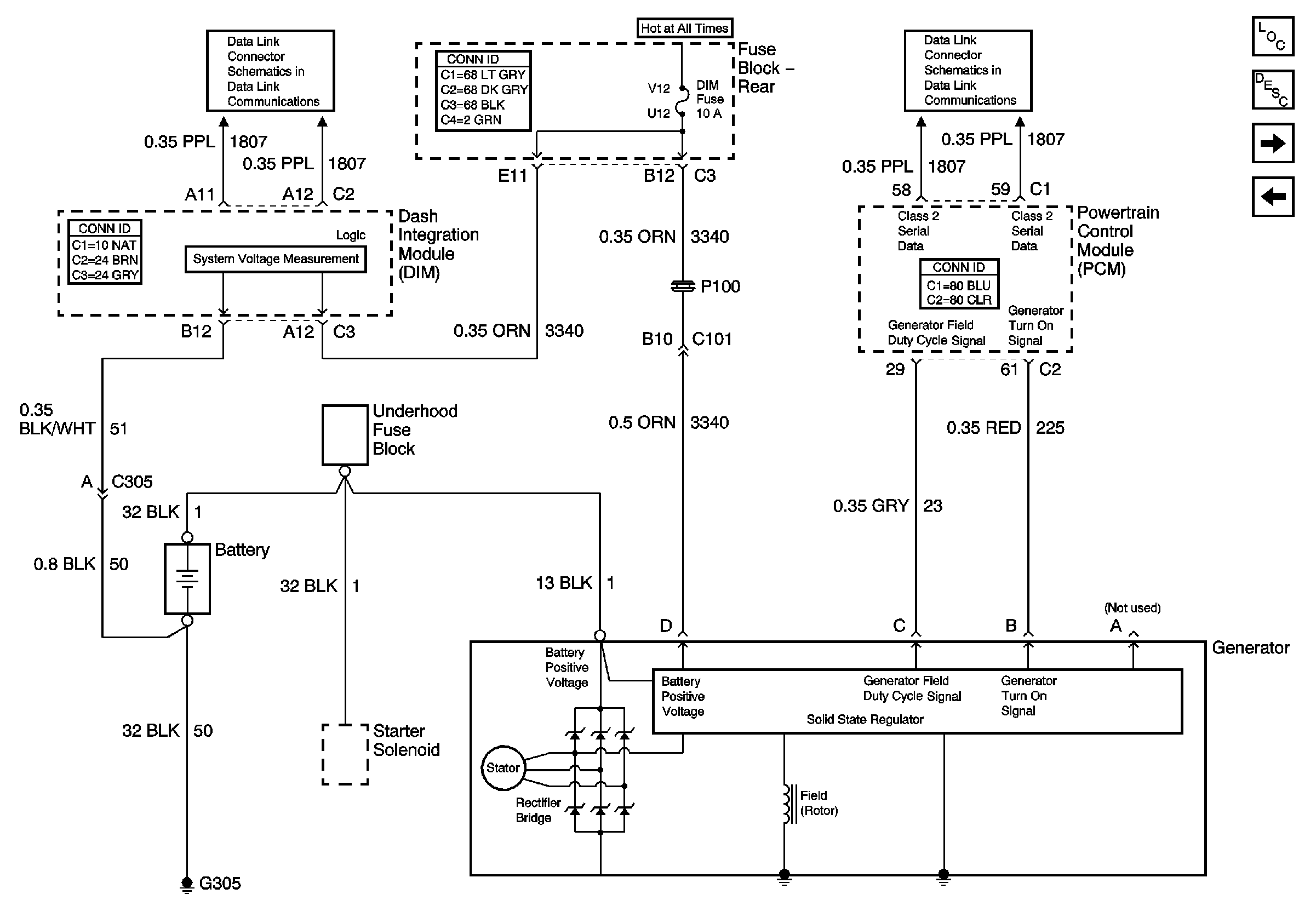
🢒 Generator Controls and Battery
Generator Controls and Battery
Generator Controls and Battery
Master Electrical Component List
Instrument Panel Cluster (IPC) Displays
Starter and Solenoid Controls
Serial Data Class 2
Serial Data Class 2