GM Service Manual Online
For 1990-2009 cars only
Makes
🢒
Chevrolet
🢒
2002
🢒
Chevy C Silverado - 2WD
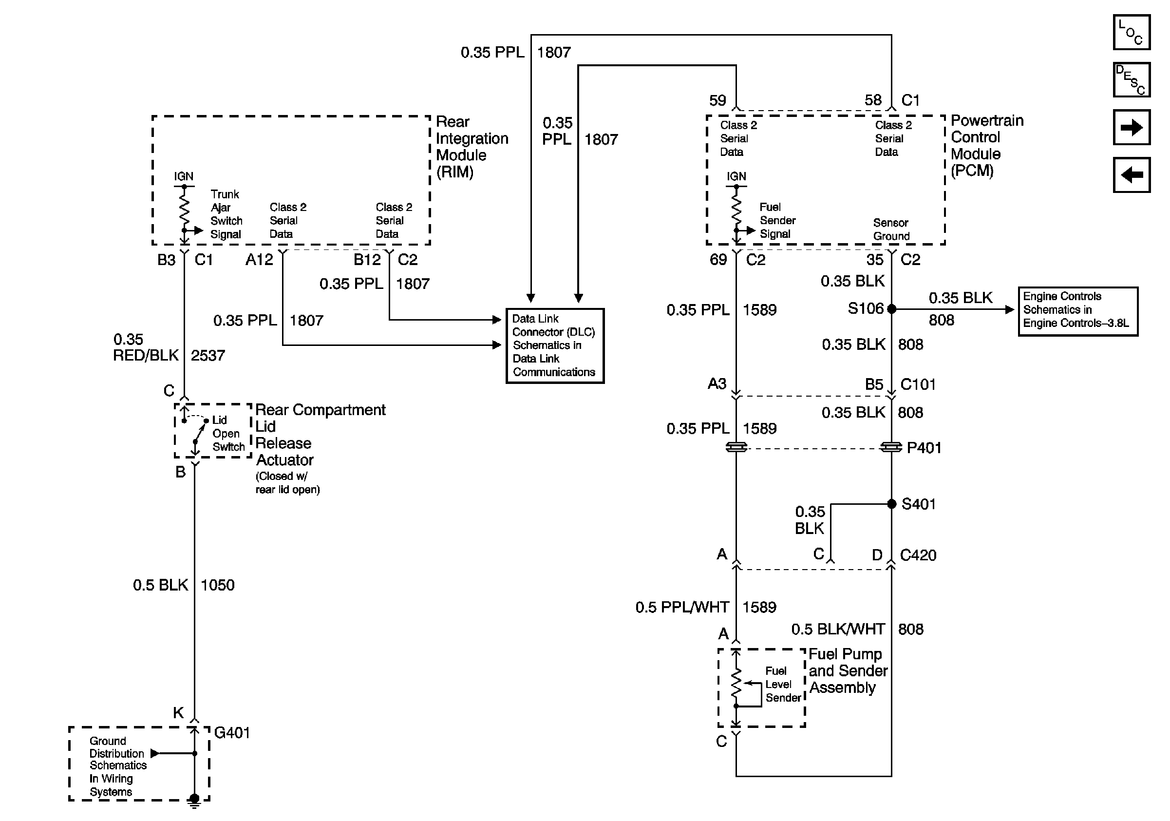
🢒 Fuel Pump and Sender Assembly, Rear Compartment Lid Switch
Fuel Pump and Sender Assembly, Rear Compartment Lid Switch
Fuel Pump and Sender Assembly, Rear Compartment Lid Switch
Master Electrical Component List
Door Lock Actuators
DIC Switch (w/UB7)
Fuel Controls - Fuel Pump Controls
Serial Data Class 2
G401 (2 of 2)