GM Service Manual Online
For 1990-2009 cars only
Makes
🢒
Chevrolet
🢒
2002
🢒
Chevy C Silverado - 2WD
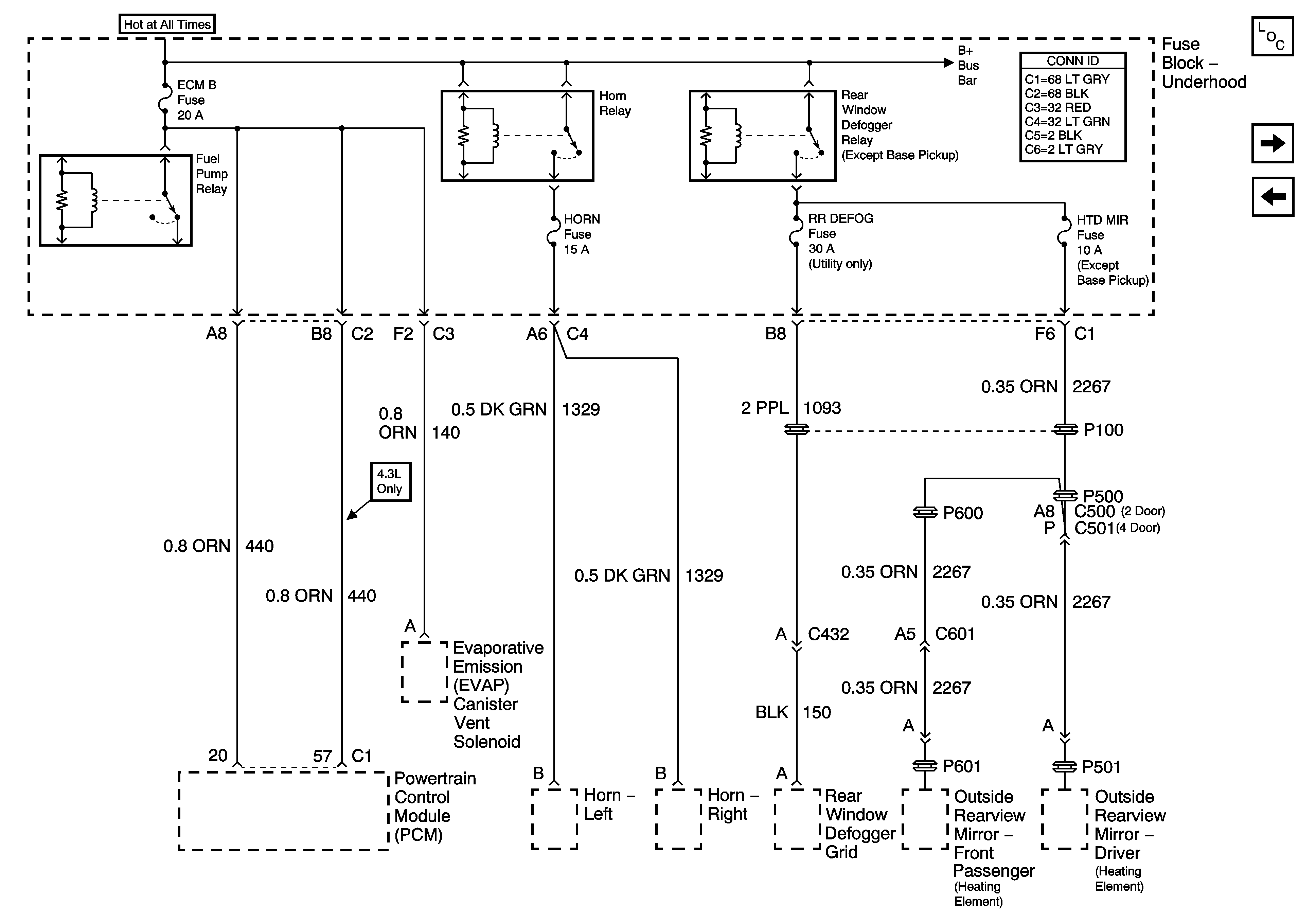
🢒 ECM B Fuse and Horn, Rear Defogger Relays
ECM B Fuse and Horn, Rear Defogger Relays
ECM B Fuse and Horn, Rear Defogger Relays
Master Electrical Component List
ILLUM and PARK LP Fuses
MIR/LKS, FOG LP Fuses and DRL, Headlamp Power Relays
B+ Bus Bar