GM Service Manual Online
For 1990-2009 cars only
Makes
🢒
Chevrolet
🢒
2002
🢒
Chevy C Silverado - 2WD
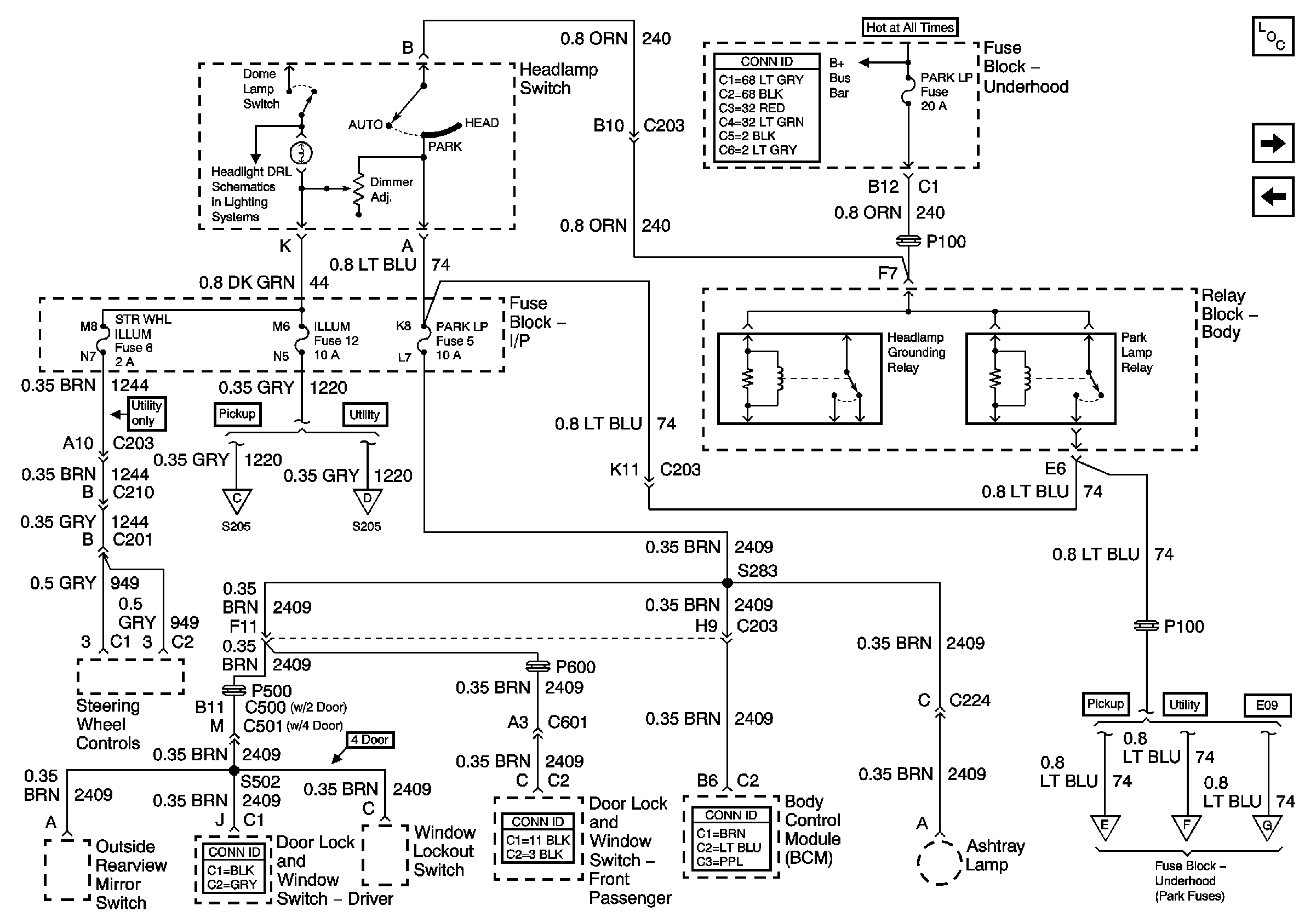
🢒 ILLUM and PARK LP Fuses
ILLUM and PARK LP Fuses
ILLUM and PARK LP Fuses
Master Electrical Component List
Illum Power - Pickup
ECM B Fuse and Horn, Rear Defogger Relays
Headlamp Switch, Ambient Light Sensor and BCM
Illum Power - Pickup
Illum Power - Utility
FR PRK, LR PRK, RR PRK Fuses and Fog Lamp Relay (Pickup)
FR PRK, LR PRK, RR PRK, TRL PRK Fuses and Fog Lamp Relay (Utility)
FR PRK, LR PRK, RR PRK, TRL PRK Fuses and Fog Lamp Relay (Export)