GM Service Manual Online
For 1990-2009 cars only
Makes
🢒
Chevrolet
🢒
2002
🢒
Chevy C Silverado - 2WD
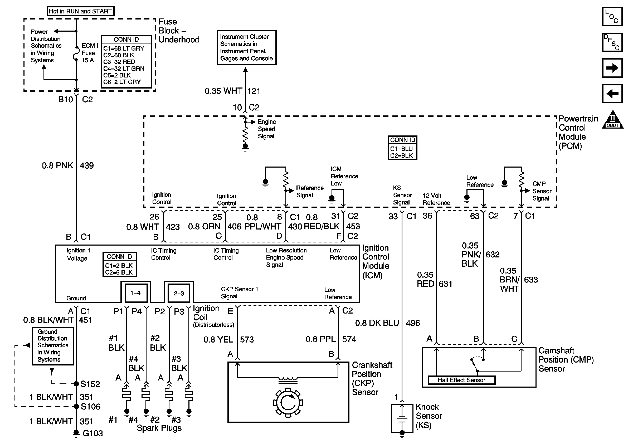
🢒 Ignition Controls
Ignition Controls
Ignition Controls
Master Electrical Component List
Electronic Ignition (EI) System Description
Fuel Injectors and Fuel Pump Controls
Oxygen Sensors
OBD II Symbol Description Notice
Ign RUN and START Bus Bar
Gages
G103 and G105 (2.2 L)