GM Service Manual Online
For 1990-2009 cars only
Makes
🢒
Chevrolet
🢒
2002
🢒
Chevy C Silverado - 2WD
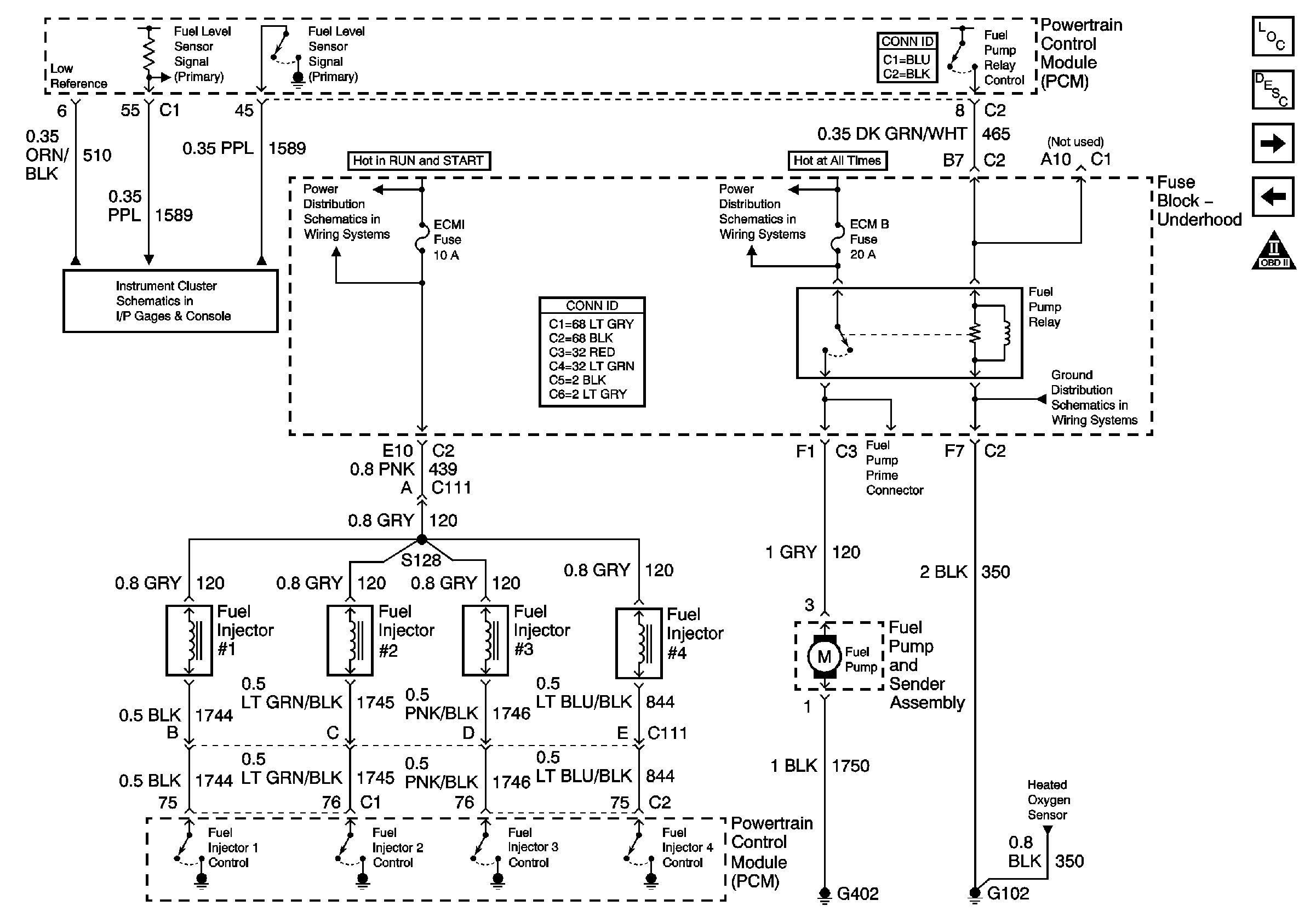
🢒 Fuel Injectors and Fuel Pump Controls
Fuel Injectors and Fuel Pump Controls
Fuel Injectors and Fuel Pump Controls
Master Electrical Component List
Fuel System Description
Fuel Controls - Fuel Composition Sensor and EVAP Controls
Ignition Controls
OBD II Symbol Description Notice
Fuel Level Sensor Signal
Ign RUN and START Bus Bar
Ign RUN and START Bus Bar
G102 (Except Export)
Module Power, Ground, Serial Data, and MIL