GM Service Manual Online
For 1990-2009 cars only
Makes
🢒
Chevrolet
🢒
2002
🢒
Chevy C Silverado - 2WD
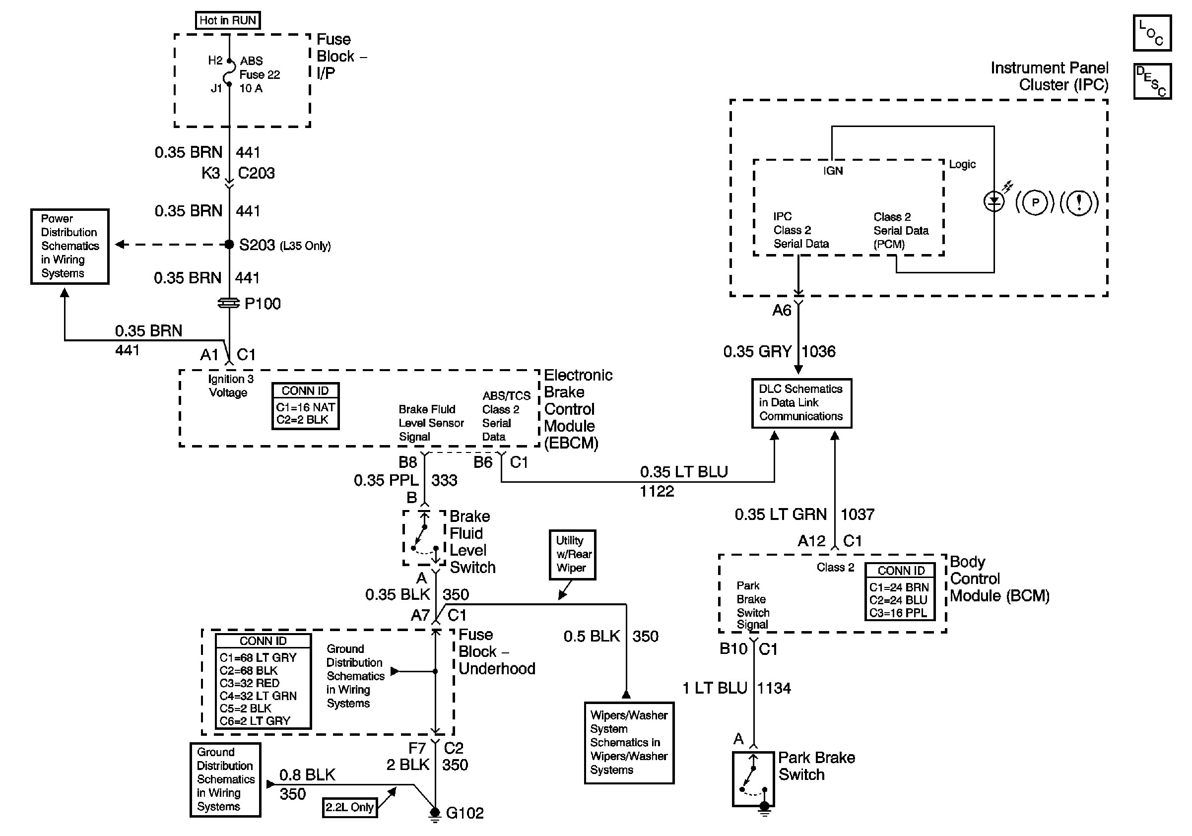
🢒 Brake Warning System Schematics
Brake Warning System Schematics
Master Electrical Component List
Brake Warning System Description and Operation
RR WPR, FRT WPR and ABS Fuses
G102 (Except Export)
G102 (Except Export)
SP201 (4.3L)
Rear Wipers