GM Service Manual Online
For 1990-2009 cars only
Makes
🢒
Chevrolet
🢒
2002
🢒
Chevy C Silverado - 2WD
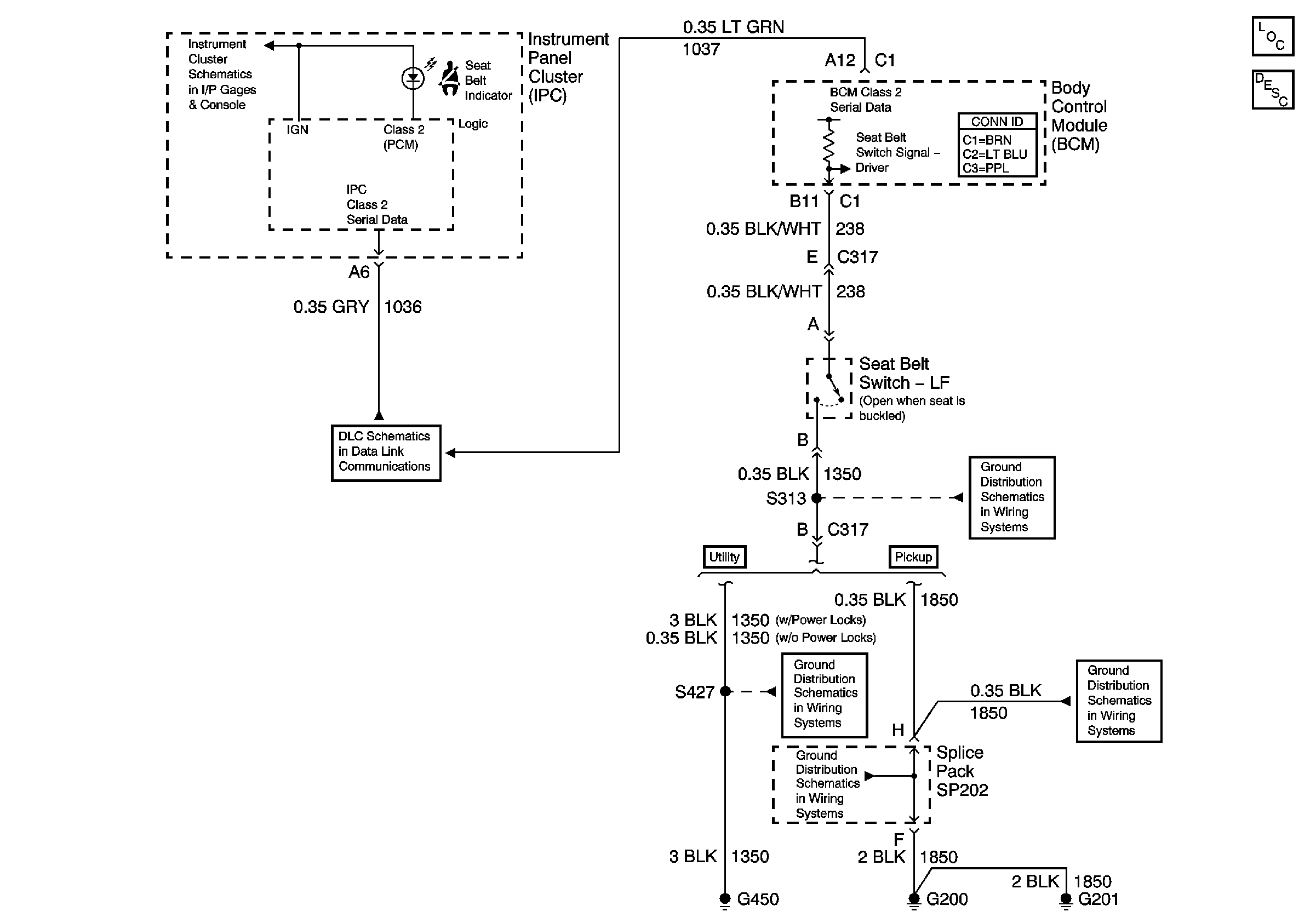
🢒 Seat Belt Schematics
Seat Belt Schematics
Master Electrical Component List
Seat Belt System Description and Operation
Indicators
SP201 (4.3L)
G420,G450 and S427 (Utility and Crew Cab)
G200, G201 and G207 (Pickup and Crew Cab)
S313 and S419
G200, G201 and G207 (Pickup and Crew Cab)