GM Service Manual Online
For 1990-2009 cars only
Makes
🢒
Chevrolet
🢒
2002
🢒
Chevy C Silverado - 2WD
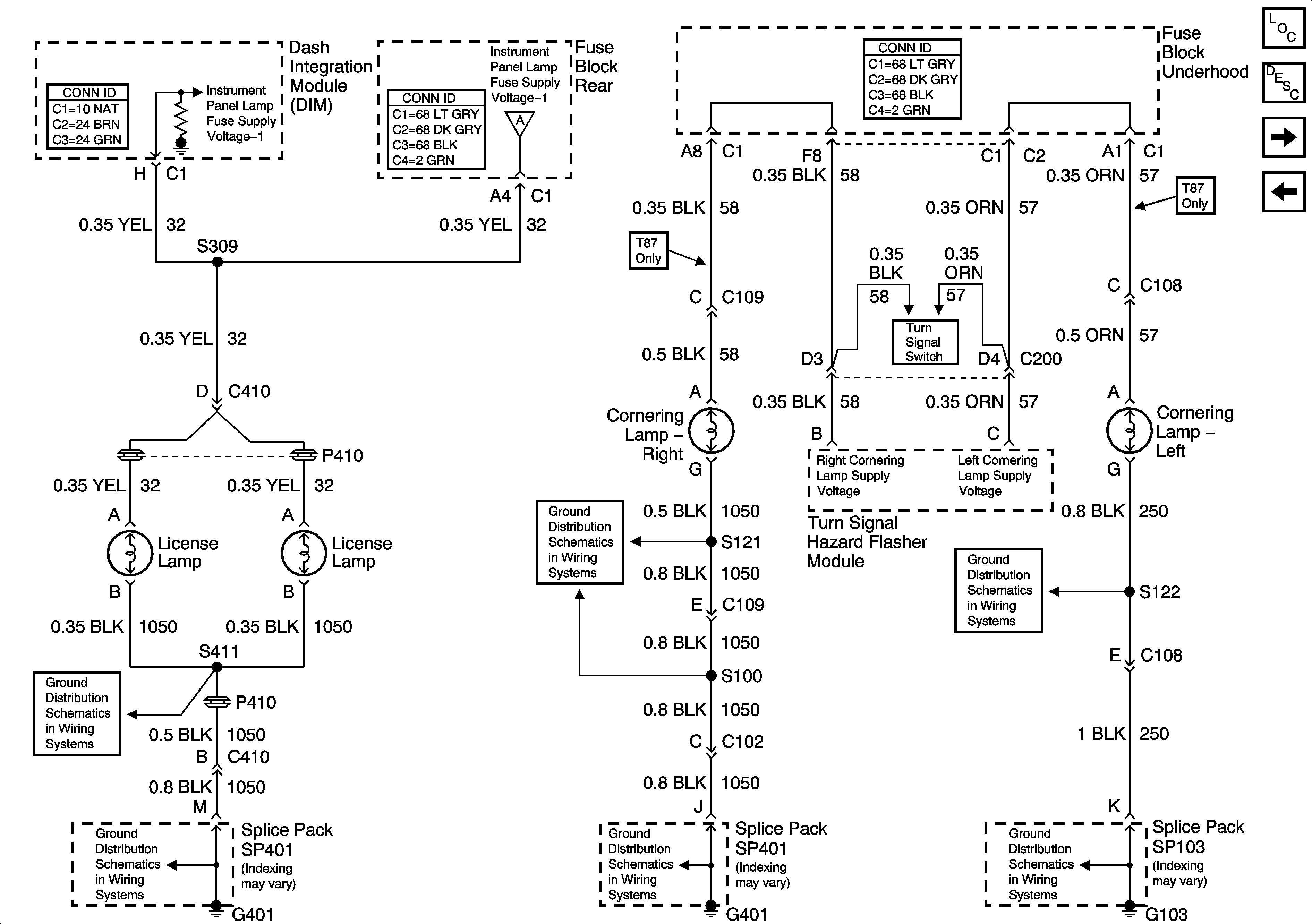
🢒 License, Underhood and Cornering Lamps
License, Underhood and Cornering Lamps
License, Underhood and Cornering Lamps
Master Electrical Component List
Drivers Side Exterior Lamps
Park Lamp Relay
G103
G103
G401 (2 of 2)
G106, G107, and G101
G401 (1 of 2)
G401 (1 of 2)
G401 (2 of 2)
Park Lamp Relay
Turn Signal Switch and Hazard Flasher Module Inputs